Product Summary
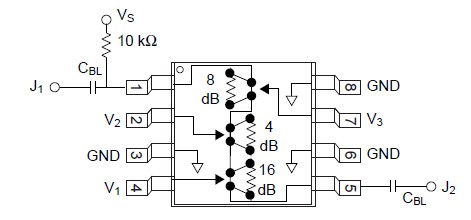
The AA104XD12 is a 3 bit, single positive control, 4 dB step GaAs IC FET digital attenuator in a low cost MSOP-8 plastic package. For positive operation external DC blocking capacitors are required on all RF ports. The AA104XD12 is particularly suited where high attenuation accuracy, low insertion loss and low intermodulation products are required.Typical applications include cellular, radio, wireless data, wireless local loop and other gain level control circuits.
Parametrics
AA104XD12 absolute maximum ratings: (1)RF input power: 1 W > 500 MHz 0/8 V; 0.5 W @ 50 MHz 0/8 V; (2)Supply voltage: +8 V; (3)Control voltage: -0.2 V, +8 V; (4)Operating temperature: -40°C to +85°C; (5)Storage temperature: -65°C to +150°C.
Features
AA104XD12 features: (1)Attenuatioi4 dB steps to 28 dB with high accuracy; (2)Single positive control voltage for each bit; (3)+3 V to +5 V operation; (4)Small low cost MSOP-8 plastic package.
Diagrams

(Hong Kong)






