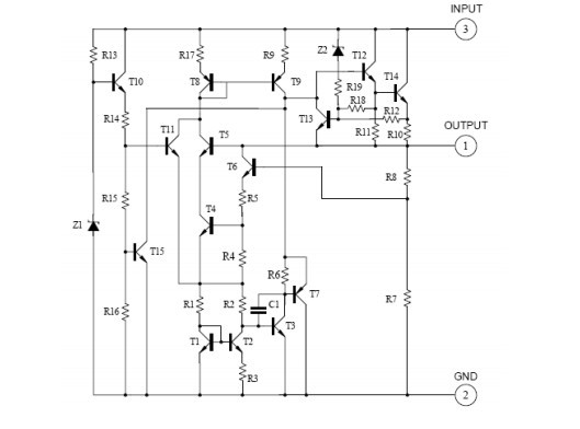
Product Summary
The lm12s389 is a 200mA Positive Voltage Regulator. The TCI LM78LXX family is monolithic fixed voltage regulator integrated circuit. They are suitable for applications that required supply current up to 100mA. It is ideal for: (1)Consumer Electronics; (2)Microprocessor Power Supply; (3)Mother Board .
Parametrics
lm12s389 absolute maximum ratings: (1)VIN Input Voltage VOUT=12~24V : 35 V; (2)IOUT Output Current: 200 mA; (3)PD Power Dissipation SOT-89: 350 mW; (4)TOPR Operating Junction Temperature Range: -20 to 150 ° C; (5)TSTG Storage Temperature Range: -55 to 150 ° C .
Features
lm12s389 features: (1)Output Current up to 200mA; (2)Fixed output voltage of 5V, 6V, 8V, 9V, 10V, 12V, 15V, 18V and 24V available; (3)Thermal overload shutdown protection; (4)Short circuit current limiting; (5)RoHS Compliance.
Diagrams

(Hong Kong)






