Product Summary
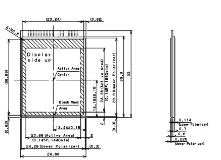
The ls013b7dh01 is a TFT-LCD module. The TFT-LCD module is a reflective active-matrix with slightly transmissive memory liquid crystal display module with CG silicone thin film transistor. The ls013b7dh01 has many characteristics such as display control by serial data signal communication, arbitrary line data renewable, 1bit internal memory for data storage within the panel, thin, light-weight and compact module with monolithic technology, and super low power consumption TFT panel.
Parametrics
ls013b7dh01 absolute maximum ratings: (1)Power supply voltage: VDDA -0.3 to +5.8 V; (2)Input signal voltage(low): -0.3 to VDD V; (3)Strage Temperature: -30 to +80°C; (4)Operation Temperature: -20 to +70°C.
Features
ls013b7dh01 features: (1)Transflective panel of white and black; (2)1.26 screen has 144x 168 resolusion. (24192 pixels stripe array) ; (3)Display control by serial data signal communication.; (4)Arbitrary line data renewable; (5)1bit internal memory for data storage within the panel; (6)Thin, light-weight and compact module with monolithic technology; (7)Super low power consumption TFT panel; (8)Zebra connecter.
Diagrams

| Image | Part No | Mfg | Description | ![]() |
Pricing (USD) |
Quantity | ||||||||||||
|---|---|---|---|---|---|---|---|---|---|---|---|---|---|---|---|---|---|---|
![]() |
![]() LS013B7DH01 |
![]() Sharp Microelectronics |
![]() LCD Graphic Display Modules & Accessories 1.26" Memory LCD 144x168 Mono |
![]() Data Sheet |
![]()
|
|
||||||||||||
| Image | Part No | Mfg | Description | ![]() |
Pricing (USD) |
Quantity | ||||||||||||
![]() |
![]() LS01-1A66-PA-500W |
![]() MEDER electronic |
![]() Liquid Level Sensors Magnetic Float 8mm mounting thread |
![]() Data Sheet |
![]()
|
|
||||||||||||
![]() |
![]() LS01-1A66-PP-500W |
![]() MEDER electronic |
![]() Liquid Level Sensors LEVEL SENSOR W/ MAGNETIC FLOAT |
![]() Data Sheet |
![]()
|
|
||||||||||||
![]() |
![]() LS01-1A71-PA500W |
![]() MEDER electronic |
![]() Liquid Level Sensors Magnetic Float 8mm mounting thread |
![]() Data Sheet |
![]() Negotiable |
|
||||||||||||
![]() |
![]() LS01-1B66-PA-500W |
![]() MEDER electronic |
![]() Liquid Level Sensors 1 Form B 8mm w/Magnetic Float |
![]() Data Sheet |
![]()
|
|
||||||||||||
![]() |
![]() LS012B4DG01 |
![]() Sharp Microelectronics |
![]() TFT Displays & Accessories 1.17" 184x38 FPC 3V Memory LCD |
![]() Data Sheet |
![]()
|
|
||||||||||||
![]() |
![]() LS013B4DN01 |
![]() Sharp Microelectronics |
![]() TFT Displays & Accessories 1.35" 96x96 w/o FPC Mono Memory LCD |
![]() Data Sheet |
![]()
|
|
||||||||||||
(Hong Kong)










