Product Summary
The sx31s007 is a Photo IC Output Photomicrosensor (Transmissive).
Parametrics
sx31s007 absolute maximum ratings: (1)Emitter Forward current IF: 50 mA (see note 1); Reverse voltage VR: 4 V; (2)Detector Power supply voltage VCC: 16 V; (3)Output voltage VOUT: 28 V; (4)Output current IOUT: 16 mA; (5)Permissible output dissipation POUT: 250 mW (see note 1); (6)Ambient temperature Operating Topr: –40°C to 75°C; (7)Storage Tstg: –40°C to 85°C; (8)Soldering temperature Tsol: 260°C (see note 2).
Features
sx31s007 features: (1)Incorporates an IC chip with a built-in detector element and amplifier; (2)Incorporates a detector element with a built-in temperature compensation circuit; (3)A wide supply voltage range: 4.5 to 16 VDC; (4)Directly connects with C-MOS and TTL; (5)High resolution with a 0.5-mm-wide sensing aperture; (6)Side-slit model and Dark ON model; (7)OMRONs XK8-series Connectors can be connected to the lead wires without a PCB. Contact your OMRON representative for information on obtaining XK8-series Connectors.
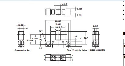
Diagrams

(Hong Kong)






