Product Summary
The fdb039n06 is an N-Channel PowerTrench MOSFET. The fdb039n06 is produced using Fairchild Semiconductor advanced PowerTrench process that hs been especially tailored to minimize the on-state resistance and yet maintain superior switching performance. Applications of the fdb039n06 include: DC to DC convertors / Synchronous Rectification.
Parametrics
fdb039n06 absolute maximum ratings: (1) Drain to Source Voltage VDSS: 60V; (2) Gate to Source Voltage VGS: ±20V; (3) Drain Current ID: 696A; (4) Single Pulsed Avalanche Energy EAS: 872mJ; (5) Peak Diode Recovery dv/dt: 7V/ns; (6) Power Dissipation PD: 231mW (Tc=25°C) , 1.54W/°C (Derate above 25°C) ; (6) Operating and Storage Temperature Range Tj, TSTG: -55 to 175°C; (7) Maximum Lead Temperature for Soldering Purpose, 1/8 inch from Case for 5 Second TL: 300°C.
Features
fdb039n06 features: (1) RDS (on) =2.95mΩ (Typ.) @VGS=10V, ID=75A; (2) Fast Switching Speed; (3) Low Gate Charge; (4) High Performance Trench Technology for Extremely Low RDS (on) ; (4) High Power and Current Handling Capability; (5) RoHS Compliant.
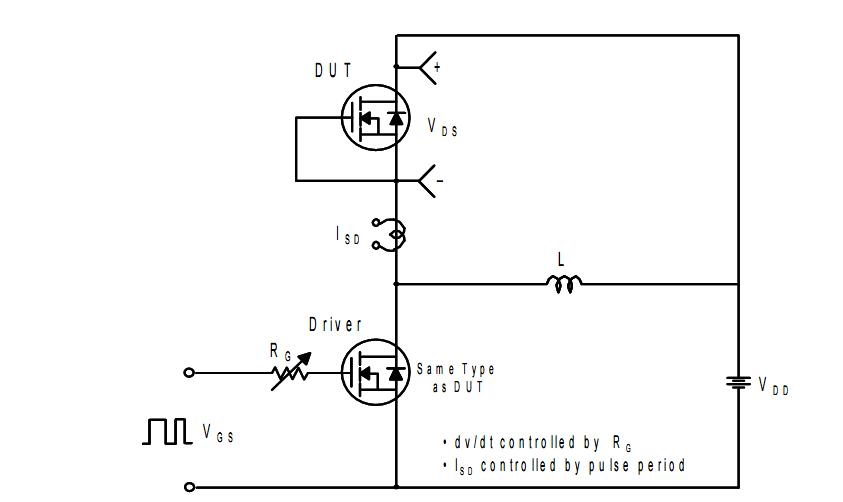
Diagrams

| Image | Part No | Mfg | Description | ![]() |
Pricing (USD) |
Quantity | ||||||||||||
|---|---|---|---|---|---|---|---|---|---|---|---|---|---|---|---|---|---|---|
![]() |
![]() FDB039N06 |
![]() Fairchild Semiconductor |
![]() MOSFET PT3 Low Qg 60V, 3.9Mohm |
![]() Data Sheet |
![]()
|
|
||||||||||||
| Image | Part No | Mfg | Description | ![]() |
Pricing (USD) |
Quantity | ||||||||||||
![]() |
![]() FDB016N04AL7 |
![]() Fairchild Semiconductor |
![]() MOSFET 40V N-Channel PowerTrench MOSFET |
![]() Data Sheet |
![]()
|
|
||||||||||||
![]() |
![]() FDB024N04AL7 |
![]() Fairchild Semiconductor |
![]() MOSFET 40V 2.4MOHM D2PAK-7L PowerTrench MOSFET |
![]() Data Sheet |
![]()
|
|
||||||||||||
![]() |
![]() FDB029N06 |
![]() Fairchild Semiconductor |
![]() MOSFET NCH 60V 2.9Mohm |
![]() Data Sheet |
![]()
|
|
||||||||||||
![]() |
![]() FDB031N08 |
![]() Fairchild Semiconductor |
![]() MOSFET 75V N-Channel PowerTrench |
![]() Data Sheet |
![]()
|
|
||||||||||||
![]() |
![]() FDB035N10A |
![]() Fairchild Semiconductor |
![]() MOSFET 100V N-Channel PowerTrench MOSFET |
![]() Data Sheet |
![]()
|
|
||||||||||||
![]() |
![]() FDB039N06 |
![]() Fairchild Semiconductor |
![]() MOSFET PT3 Low Qg 60V, 3.9Mohm |
![]() Data Sheet |
![]()
|
|
||||||||||||
(Hong Kong)









