Product Summary
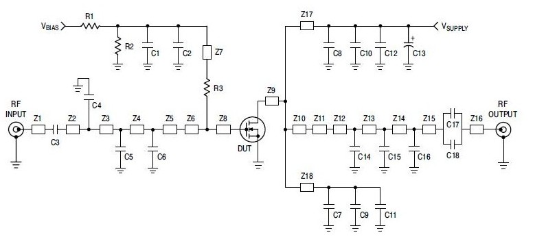
The mrf7s27130h is a RF Power Field Effect Transistor. Designed for CDMA base station applications with frequencies from 2110 to 2170 MHz. Suitable for CDMA and multicarrier amplifier applications. To be used in Class AB and Class C for PCN - PCS/cel lular radio and WLL applications.
Parametrics
mrf7s27130h absolute maximum ratings: (1)Drain-Source Voltage, VDSS: -0.5 to +65 Vdc; (2)Gate-Source Voltage, VGS: -6.0 to +10 Vdc; (3)Operating Voltage, VDD: -32 to +0 Vdc; (4)Storage Temperature Range, Tstg: -65 to +150℃; (5)Case Operating Temperature, TC: 150℃; (6)Operating Junction Temperature, TJ: 200℃.
Features
MRF7S27130H features: (1)100% PAR Tested for Guaranteed Output Power Capability; (2)Characterized with Series Equivalent Large-Signal Impedance Parameters; (3)?Internally Matched for Ease of Use; (4)Integrated ESD Protection; (5)Greater Negative Gate-Source Voltage Range for Improved Class C; (6)Operation; (7)Designed for Digital Predistortion Error Correction Systems; (8)RoHS Compliant; (9)In Tape and Reel. R3 Suffix = 250 Units per 56 mm, 13 inch Reel.
Diagrams

| Image | Part No | Mfg | Description | ![]() |
Pricing (USD) |
Quantity | ||||||||
|---|---|---|---|---|---|---|---|---|---|---|---|---|---|---|
![]() |
![]() MRF7S27130HR3 |
![]() Freescale Semiconductor |
![]() Transistors RF MOSFET Power HV7 2.7GHZ 130W NI780H |
![]() Data Sheet |
![]()
|
|
||||||||
![]() |
![]() MRF7S27130HR5 |
![]() Freescale Semiconductor |
![]() Transistors RF MOSFET Power HV7 2.7GHZ 130W NI780H |
![]() Data Sheet |
![]() Negotiable |
|
||||||||
![]() |
![]() MRF7S27130HSR3 |
![]() Freescale Semiconductor |
![]() Transistors RF MOSFET Power HV7 2.7GHZ 130W NI780HS |
![]() Data Sheet |
![]()
|
|
||||||||
![]() |
![]() MRF7S27130HSR5 |
![]() Freescale Semiconductor |
![]() Transistors RF MOSFET Power HV7 2.7GHZ 130W NI780HS |
![]() Data Sheet |
![]() Negotiable |
|
||||||||
(Hong Kong)









