Product Summary
The IRM8601S(GH) is a miniature type infrared remote control system receiver which has been developed and designed by utilizing the most updated IC technology. The PIN diode and preamplifier are assembled on lead frame, the epoxy package is designed as an IR filter. The demodulated output signal can directly be decoded by a microprocessor. The applications of the IRM8601S(GH) include: (1)Light detecting portion of remote control; (2)AV instruments such as Audio, TV, VCR, CD, MD, etc; (3)Home appliances such as Air-conditioner, Fan , etc; (4)The other equipments with wireless remote control; (5)CATV set top boxes; (6)Multi-media Equipment.
Parametrics
IRM8601S(GH) absolute maximum ratings: (1)Supply Voltage Vcc: 0~6 V; (2)Operating Temperature Topr: -25 ~ +80 ℃; (3)Storage Temperature Tstg: -40 ~ +85 ℃; (4)Soldering Temperature Tsol: 260 ℃.
Features
IRM8601S(GH) features: (1)High protection ability to EMI and metal case can be customized; (2)Mold type and metal case type to meet the design of front panel; (3)Elliptic lens to improve the characteristic against; (4)Line-up for various center carrier frequencies; (5)Low voltage and low power consumption; (6)High immunity against ambient light; (7)Photodiode with integrated circuit; (8)TTL and CMOS compatibility; (9)Long reception distance; (10)High sensitivity.
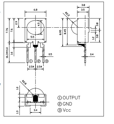
Diagrams

(Hong Kong)






