Product Summary
The g5v-1-5vdc is a low signal relay.
Parametrics
g5v-1-5vdc absolute maximum ratings: (1)Rated load: 0.50 A at 125 VAC, 1A 24 VDC; (2)Carry current: 2 A; (3)Max. operating voltage: 125 VAC, 60 VDC; (4)Max. operating current: 1 A; (5)Max. switching capacity: 62.50 VA, 30W; (6)Min. permissible load (See note): 1 mA, 5 VDC.
Features
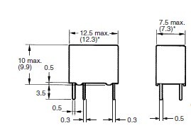
g5v-1-5vdc features: (1)High sensitivity: 150 mW nominal power consumption; (2)Small size at 10 H x 7.5 W x 12.5 L mm; (3)Switches from 1 mA to 1 A; (4)Conforms to FCC part 68 requirements for coil to contacts; (5)Fully-sealed construction; (6)Ideal for use in telecommunications, security, and computer/ peripheral equipment; (7)RoHS Compliant.
Diagrams

(Hong Kong)






