Product Summary
The g6s-2-5v is a Low Signal Relay.
Parametrics
g6s-2-5v absolute maximum ratings: (1)Load: Resistive load (cosφ = 1); (2)Rated load: 0.5A at 125VAC, 2A at 30VAC; (3)Contact material: Ag (Au clad); (4)Max. carry current: 2A; (5)Max. operating voltage: 250VAC, 220VDC; (6)Max. operating current: 2A; (7)Max. switching capacity: 62.5VA, 60W; (8)Min. permissible load: 10mVDC, 10μA.
Features
g6s-2-5v features: (1)Third generation surface mount design; (2)Design is based on worldwide telecommunications, data communications, computer peripheral and office automation relay requirements; (3)High dielectric withstand voltage of 2,000VAC between coil and contacts (standard type); (4)Meets 2.5kV Bellcore surge requirement; (5)Offers significant board space savings; (6)European version certified for EN60950/EN41003 Supplementary Insulation at 250 V; (7)Available in PCB through-hole terminal configuration; (8)Tape and reel packaging option available.
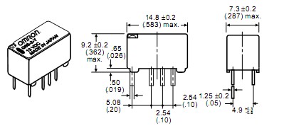
Diagrams

(Hong Kong)






