Product Summary
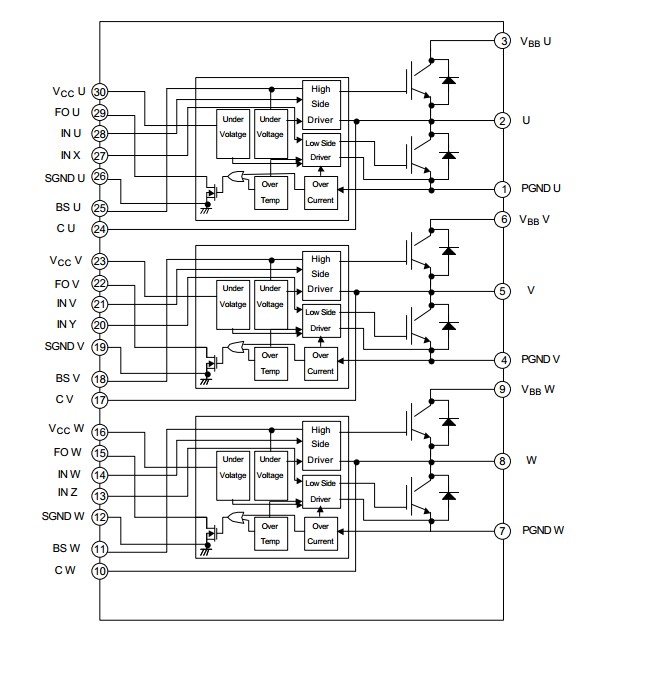
The mig15j503h is an intelligent power module for three-phase inverter system. The 4th generation low saturation voltage trench gate IGBT and FRD mig15j503h is connected to a three-phase full bridge type, and IC by the original high-voltage SOI(silicon-on-insulator) process drives these directly in response to a PWM signal. Moreover, since high-voltage level-shifter is built in high-voltage IC, while being able to perform a direct drive without the interface with which the upper arm IGBT is insulated, the drive power supply of an upper arm can be driven with a bootstrap system, and the simplification of a system is possible.
Parametrics
mig15j503h absolute maximum ratings: (1)VBB: 450 V; (2)VBB(surge): 500 V; (3)VCC: 20 V; (4)VBS: 20 V; (5)Collector-Emitter Voltage VCES: 600 V; (6)Each Collector Current (DC)IC: ±15 A; (7)Each Collector Current (PEAK)ICP: ±30 A; (8)Input Voltage VIN: 5.5 V; (9)Fault Output Supply Voltage VFO: 20 V; (10)Fault Output Current IFO: 15 mA; (11)PGND-SGND Voltage Difference VPGND-SGND: ±5 V; (12)Output Voltage Rate of Change Dv/dt: 20 kV/μs; (13)Collector Power Dissipation: 43 W; (14)Collector Power Dissipation: 25 W; (15)Operating Temperature TOPE: -20 to 100°C; (16)Junction Temperature: 150°C; (17)Storage Temperature Tstg:: -40 to 125°C; (18)Isolation Voltage(60Hz sinusoidal ,AC)VISO: 2500 (1min)Vrms.
Features
mig15j503h features: (1)The 4th generation trench gate thin wafer NPT IGBT is adopted; (2)FRD is built in; (3)The level shift circuit by high-voltage IC is built in; (4)The simplification of a high side driver power supply is possible by the bootstrap system; (5)Short Circuit Protection, Over Temperature Protection , and the Power Supply Under Voltage Protection function are built in; (6)Short Circuit Protection and Over Temperature Protection state are outputted; (7)The lower arm emitter terminal has been independent by each phase for the purpose of the current detection at the time of vector control; (8)Low thermal resistance by adoption of original high thermal conduction resin.
Diagrams

| Image | Part No | Mfg | Description | ![]() |
Pricing (USD) |
Quantity | ||||
|---|---|---|---|---|---|---|---|---|---|---|
![]() |
![]() MIG15J503H |
![]() Other |
![]() |
![]() Data Sheet |
![]() Negotiable |
|
||||
| Image | Part No | Mfg | Description | ![]() |
Pricing (USD) |
Quantity | ||||
![]() |
![]() MIG100J6CSB1W |
![]() Other |
![]() |
![]() Data Sheet |
![]() Negotiable |
|
||||
![]() |
![]() MIG100J7CSA0A |
![]() Other |
![]() |
![]() Data Sheet |
![]() Negotiable |
|
||||
![]() |
![]() MIG100J7CSB1W |
![]() Other |
![]() |
![]() Data Sheet |
![]() Negotiable |
|
||||
![]() |
![]() MIG100Q6CMA0X |
![]() Other |
![]() |
![]() Data Sheet |
![]() Negotiable |
|
||||
![]() |
![]() MIG100Q6CMB1X |
![]() Other |
![]() |
![]() Data Sheet |
![]() Negotiable |
|
||||
![]() |
![]() MIG10J503 |
![]() Other |
![]() |
![]() Data Sheet |
![]() Negotiable |
|
||||
(Hong Kong)









