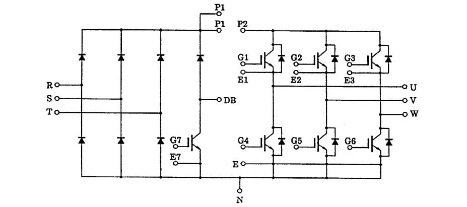
Product Summary
The mig30j901h is an integrated gtr module.
Parametrics
mig30j901h absolute maximum ratings: (1)collector-emitter voltage:600V; (2)gate-emitter voltage:±20V; (3)collector current:30A; (4)forward current:30A; (5)collector power dissipation:100W.
Features
mig30j901h features: (1)integrates inverter, converter and brake power circuits in one package; (2)output:4.0V; (3)input:1.2V; (4)brake stage:15A/600V IGBT & 15A/600V FRD; (5)the electrodes are isolated from case.
Diagrams

(Hong Kong)






