Product Summary
The aa104sl02 is a 1 bit, gaas IC FET digital attenuator in a low cost SOT-6 package. This attenuator has up to 32 dB total attenuation.The aa104sl02 requires two lines of voltage control. The aa104sl02 is particularly suited where high attenuation accuracy, low insertion loss and low intermodulation products are required. A total attenuation of 63 dB in 1 dB steps can be obtained by combining the two attenuators.
Parametrics
aa104sl02 absolute maximum ratings: (1)RF input power: 1 W > 500 MHz 0/8 V, 0.5 W @ 50 MHz 0/8 V; (2)Supply voltage: +8 V; (3)Control voltage: -0.2 V, +8 V; (4)Operating temperature: -40°C to +85°C; (5)Storage temperature: -65°C to +150°C.
Features
aa104sl02 features: (1)1 Bit attenuation of 32 dB DC–1 GHz, 27 dB 1–2 GHz, 24 dB 2–2.5 dB; (2)Tune with one capacitor and/or resistor to desired operating frequency and attenuation; (3)Ideal for both if and rf applications including cable, GSM, PCS, EDGE, 3G and ISM.
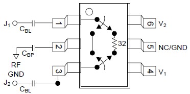
Diagrams

(Hong Kong)






