Product Summary
The pd104slj is a color TFT-LCD module. Applications are (1)This data sheet applies to a color TFT LCD module, PD104SLJ; (2)PD104SLJ module applies to OA product, car TV(must use Analog to Digital drive board), which require high quality flat panel display.If you must use in high reliability environment can over reliability test condition; (3)Prime View assume no responsibility for any damage resulting from the use of the device which dose not comply with the instructions and the precautions in these specification sheet.
Parametrics
pd104slj absolute maximum ratings: (1)Supply voltage Vcc: -0.3 +4.0 V; (2)Input signal voltage VIN: -0.3 Vcc+0.3 V; (3)Backlight driving voltage VL: 2000 V; (4)Backlight driving frequency FL: 0 to 100 KHz; (5)Storage temperature TST: -10 to +70 ℃; (6)Operating temperature TOP: -10 to +60 ℃.
Features
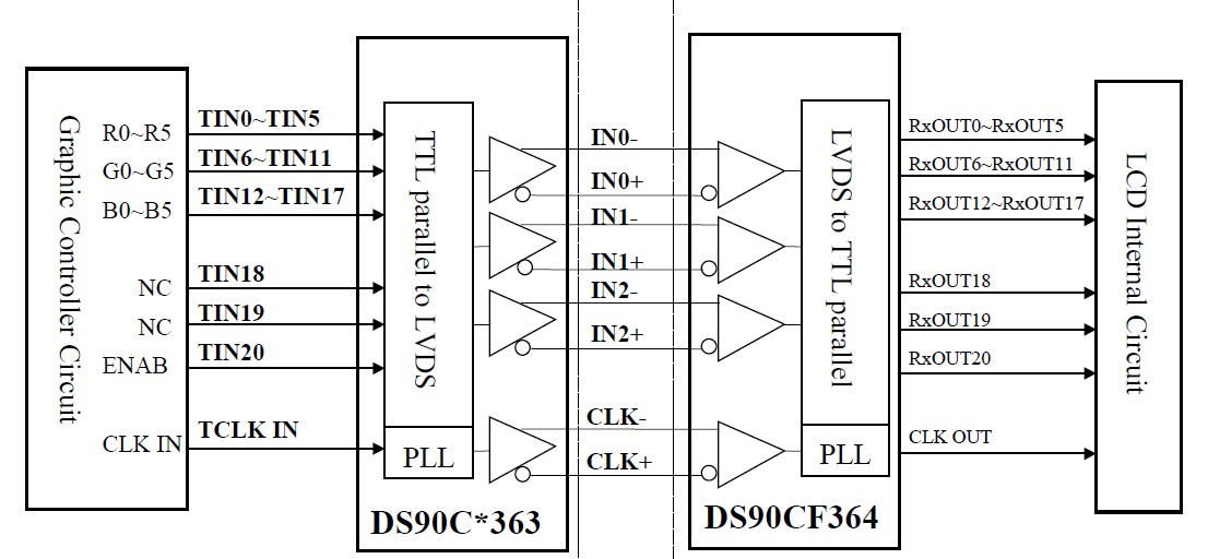
pd104slj features: (1)Amorphous silicon TFT LCD panel with back-light unit; (2)Pixel in stripe configuration; (3)Slim and compact, designed for O/A application; (4)Display colors:262,144 colors; (5)Optimum viewing direction:6 o’clock; (6)+3.3V DC supply voltage for TFT LCD panel driving; (7)Backlight driving DC/AC inverter not included in this module; (8)TTL transmission interface.
Diagrams

(Hong Kong)






