Product Summary
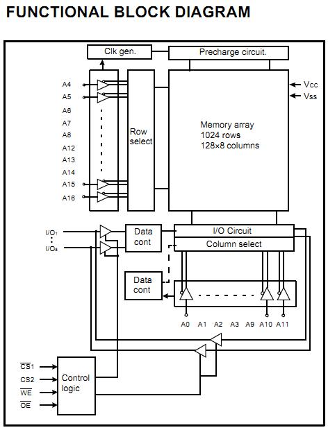
The KM681000ELG-7L is a 128K x8 bit Low Power CMOS Static RAM. The device is fabricated by advanced CMOS process technology. The KM681000ELG-7L supports various operating temperature ranges and have various package types for user flexibility of system design. The KM681000ELG-7L also supports low data retention voltage for battery back-up operation with low data retention current.
Parametrics
KM681000ELG-7Labsolute maximum ratings: (1)Voltage on any pin relative to Vss, VIN, VOUT: -0.5 to 7.0V; (2)Voltage on Vcc supply relative to Vss, VCC: -0.5 to 7.0V; (3)Power Dissipation, PD: 1.0W; (4)Storage temperature, TSTG: -65 to 150℃; (5)Operating Temperature, TA: 0 to 70℃; (6)Soldering temperature and time, TSOLDER: 260℃, 10sec (Lead Only).
Features
KM681000ELG-7L features: (1)Process Technology: TFT; (2)Organization: 128K x8; (3)Power Supply Voltage: 4.5~5.5V ; (4)Low Data Retention Voltage: 2V(Min); (5)Three state output and TTL Compatible; (6)Package Type: 32-DIP-600, 32-SOP-525,32-TSOP1-0820F/R.
Diagrams

![]() |
![]() KM681000B |
![]() Other |
![]() |
![]() Data Sheet |
![]() Negotiable |
|
||||
![]() |
![]() KM681000BLG-7L |
![]() Other |
![]() |
![]() Data Sheet |
![]() Negotiable |
|
||||
![]() |
![]() KM681000C |
![]() Other |
![]() |
![]() Data Sheet |
![]() Negotiable |
|
||||
![]() |
![]() KM681000E |
![]() Other |
![]() |
![]() Data Sheet |
![]() Negotiable |
|
||||
![]() |
![]() KM681001A |
![]() Other |
![]() |
![]() Data Sheet |
![]() Negotiable |
|
||||
![]() |
![]() KM681001B |
![]() Other |
![]() |
![]() Data Sheet |
![]() Negotiable |
|
||||
(Hong Kong)








