Product Summary
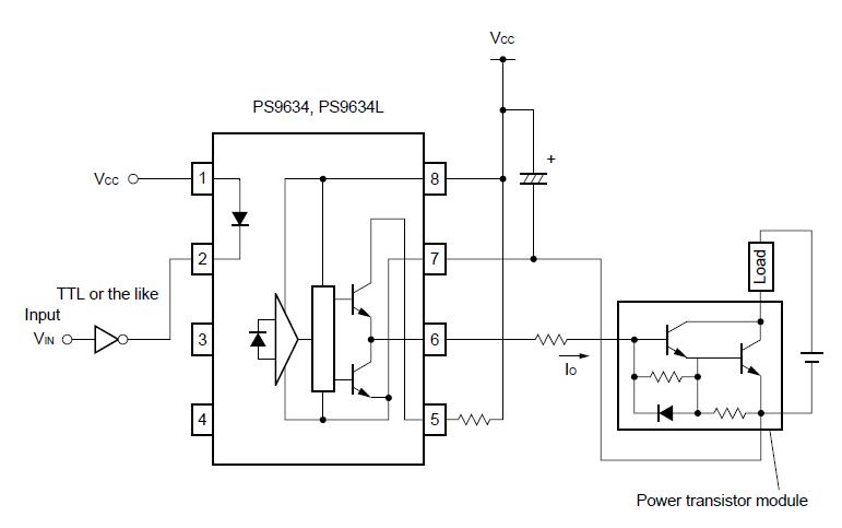
The PS9634 is a power transistor driving base amplifier built-in type photocoupler. The device mounts a GaAs infrared ray LED on the light emitting side (input side) and a photo diode and a signal processing circuit on the light receiving side (output side) on one chip. The PS9634 can directly drive a power transistor of 15 to 20 A class used for such as an inverter control air conditioner or general purpose inverter. The PS9634 has a surface mount type lead. The device is suitable for Inverter control air conditioner and General purpose inverter.
Parametrics
PS9634 absolute maximum ratings: (1)Diode, Forward Current (DC), IF: 30 mA; Reverse Voltage, VR: 6.0 V; Peak Forward Current, IFM: 1 A; (2)Detector, Supply Voltage, VCC: 18 V; Output Current (O1), IO1: 0.5 A; Peak Output Current (O1), IO1P: 1.0A; Output Current (O2), IO2: 0.8A; Peak Output Current (O2), IO2P: 2.0A; Output Voltage (O1), VO1: 18 V; Power Dissipation, PO: 500 mW; (3)Isolation Voltage, BV: 5 000 Vr.m.s.; (4)Total Power Dissipation, PT: 550 mW; (5)Operating Ambient Temperature, TA: -20 to +80℃; (6)Storage Temperature, Tstg: -55 to +150℃.
Features
PS9634 features: (1)High instantaneous common mode rejection voltage (CMH = -1000 V/ms MIN., CML = 1 000 V/ms MIN.); (2)High supply voltage (VCC = 18 V); (3)High-speed response (tPHL, tPLH = 5 ms MAX.); (4)High output current (IO1 = 0.5 A (DC), IO1P = 1.0 A (pulse) ); (5)Taping product name (PS9634L-E3, E4).
Diagrams

| Image | Part No | Mfg | Description | ![]() |
Pricing (USD) |
Quantity | ||||
|---|---|---|---|---|---|---|---|---|---|---|
![]() |
![]() PS9634L |
![]() CEL |
![]() High Speed Optocouplers Pwr Tran Driving Amp |
![]() Data Sheet |
![]() Negotiable |
|
||||
![]() |
![]() PS9634L-A |
![]() |
![]() PHOTOCOUPLER FOR IGBT DVR 8-S |
![]() Data Sheet |
![]() Negotiable |
|
||||
![]() |
![]() PS9634-A |
![]() |
![]() PHOTOCOUPLER FOR IGBT DVR 8-D |
![]() Data Sheet |
![]() Negotiable |
|
||||
![]() |
![]() PS9634 |
![]() |
![]() PHOTOCOUPLER FOR IGBT DRIVER |
![]() Data Sheet |
![]() Negotiable |
|
||||
(Hong Kong)











