Product Summary
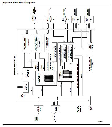
The PSD813F2A-90UI is a memory system for microcontrollers (MCUs). The PSD813F2A-90UI brings In-System-Program- mability (ISP) to Flash memory and programmable logic. The result is a simple and flexible solution for embedded designs. The PSD813F2A-90UI combines many of the peripheral functions found in MCU based applications.
Parametrics
PSD813F2A-90UI absolute maximum ratings: (1)TSTG, Storage Temperature: –65 to 125℃; (2)TLEAD, Lead Temperature during Soldering (20 seconds max.): 235℃; (3)VIO, Input and Output Voltage (Q = VOH or Hi-Z): –0.6 to 7.0 V; (4)VCC, Supply Voltage: –0.6 to 7.0 V; (5)VPP, Device Programmer Supply Voltage: –0.6 to 14.0 V; (6)VESD, Electrostatic Discharge Voltage (Human Body model): –2000 to 2000 V.
Features
PSD813F2A-90UI features: (1)flash in-system programmable (ISP) peripheral for 8-bit MCUS; (2)dual bank flash memories: up to 2 mbit of primary flash memory (8 Uniform Sectors, 32K ×8); up to 256 Kbit secondary flash; (3)memory (4 Uniform Sectors); Concurrent operation: READ from one memory while erasing and writing the other; (4)up to 256 Kbit battery-backed SRAM; (5)27 reconfigurable I/O ports; (6)PLD with macrocells: Over 3000 Gates of PLD: CPLD and DPLD; CPLD with 16 Output Macrocells (OMCs) and 24 Input Macrocells (IMCs); DPLD - user defined internal chip select decoding; (7)27 individually configurable i/o port pins; (8)The can be used for the following functions: MCU I/Os; PLD I/Os; Latched MCU address output; Special function I/Os; 16 of the I/O ports may be configured as open-drain outputs.
Diagrams

| Image | Part No | Mfg | Description | ![]() |
Pricing (USD) |
Quantity | ||||
|---|---|---|---|---|---|---|---|---|---|---|
![]() |
![]() PSD813F2A-90UI |
![]() STMicroelectronics |
![]() CPLD - Complex Programmable Logic Devices 5.0V 1M 90ns |
![]() Data Sheet |
![]() Negotiable |
|
||||
| Image | Part No | Mfg | Description | ![]() |
Pricing (USD) |
Quantity | ||||
![]() |
![]() PSD813F1A-12JI |
![]() STMicroelectronics |
![]() CPLD - Complex Programmable Logic Devices 5.0V 1M 120ns |
![]() Data Sheet |
![]() Negotiable |
|
||||
![]() |
![]() PSD813F1A-12JI_1105665 |
![]() Other |
![]() |
![]() Data Sheet |
![]() Negotiable |
|
||||
![]() |
![]() PSD813F1A-12UI |
![]() STMicroelectronics |
![]() SPLD - Simple Programmable Logic Devices 5.0V 1M 120ns |
![]() Data Sheet |
![]() Negotiable |
|
||||
![]() |
![]() PSD813F1A-90J |
![]() STMicroelectronics |
![]() SPLD - Simple Programmable Logic Devices 5.0V 1M 90ns |
![]() Data Sheet |
![]() Negotiable |
|
||||
![]() |
![]() PSD813F1A-90JI |
![]() STMicroelectronics |
![]() SPLD - Simple Programmable Logic Devices 5.0V 1M 90ns |
![]() Data Sheet |
![]() Negotiable |
|
||||
![]() |
![]() PSD813F1A-90M |
![]() STMicroelectronics |
![]() CPLD - Complex Programmable Logic Devices 5.0V 1M 90ns |
![]() Data Sheet |
![]() Negotiable |
|
||||
(Hong Kong)










