Product Summary
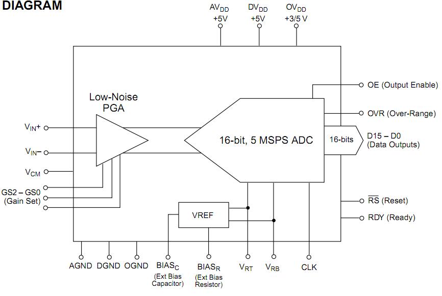
The SPT8100SIT is a high-performance, 16-bit analog-to-digital converter that operates at a sample rate of up to 5 MSPS. Excellent dynamic performance and high linearity is achieved by a digitally calibrated pipelined architecture fabricated in CMOS process technology. The applications of the SPT8100SIT include Data acquisition systems, IR imaging, Scanners and digital copiers, High-end CCD cameras, Medical imaging, Wireless communications, Lab and test equipment, Automatic test equipment.
Parametrics
SPT8100SIT absolute maximum ratings: (1)AVDD: +6 V; (2)DVDD: +6 V; (3)OVDD: +6 V; (4)Analog Input: -0.5 V to VDD +0.5 V; (5)CLK Input: VDD; (6)AVDD-DVDD: ±100 mV; (7)Delta between AGND, DGND, and OGND: ±100 mV; (8)Digital Outputs: 10 mA; (9)Operating Temperature: -40 to +85℃; (10)Junction Temperature: +175℃; (11)Lead Temperature (soldering 10 seconds): +300℃; (12)Storage Temperature: -65 to +150℃.
Features
SPT8100SIT features: (1)16-bit, 5 MSPS CMOS analog-to-digital converter; (2)On-chip PGA: gain range from 0 to 19.5 dB in seven selectable settings: 0 dB, +2.9 dB, +5.8 dB, +11.8 dB, +14.8 dB, +17.5 dB,; (3)+19.5 dB; (4)DLE: ±0.5 LSB, ILE: ±1.25 LSB; (5)SFDR: 94 dB @ fIN = 900 kHz, -8.1 dBFS; (6)Internal sample-and-hold and voltage reference; (7)Power dissipation: 465 mW at 5 MSPS; (8)+5 V analog supply and +3.3 to +5.25 V digital output supply; (9)44-lead LQFP plastic package.
Diagrams

| Image | Part No | Mfg | Description | ![]() |
Pricing (USD) |
Quantity | ||||
|---|---|---|---|---|---|---|---|---|---|---|
![]() |
![]() SPT8100SIT |
![]() Fairchild Semiconductor |
![]() ADC (A/D Converters) 16-Bit 5 MSPS CMOS ADC |
![]() Data Sheet |
![]() Negotiable |
|
||||
![]() |
![]() SPT8100SIT_Q |
![]() Fairchild Semiconductor |
![]() ADC (A/D Converters) 16-Bit 5 MSPS CMOS ADC |
![]() Data Sheet |
![]() Negotiable |
|
||||
(Hong Kong)









