Product Summary
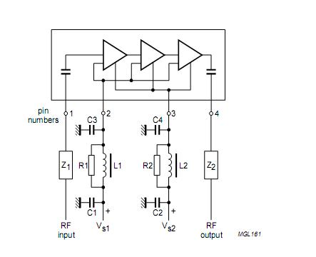
The bgy916 is a three-stage UHF amplifier module in a SOT365A package.The bgy916 consists of one NPN silicon planar transistor die and two silicon MOS-FET dies mounted on metallized ceramic AlN substrate,together with matching and bias circuitry. Applications of the bgy916 include: Base station transmitting equipment operating in the 920 to 960MHz frequency range.
Parametrics
bgy916 absolute maximum ratings: (1) DC supply voltage VS1: 28V; (2) DC supply voltage VS2: 28V; (3) input drive power PD: 80mW; (4) load power PL: 25W; (5) storage temperature Tstg: -30 to +100°C; (6) operating mounting base temperature Tmb: -10 to 90°C.
Features
bgy916 features: (1) 26V nominal supply voltage; (2) 16W output power into a load of 50Ω with an RF drive power of 25mW.
Diagrams

(Hong Kong)






