Product Summary
The blc6g22ls-75 is a power LDMOS transistor. The blc6g22ls-75 is for base station applications at frequencies from 2000MHz to 2200MHz. Applications of the blc6g22ls-75 include: RF power amplifiers for W-CDMA base stations and multicarrier applications in the 2000 MHz to 2200 MHz frequency range.
Parametrics
blc6g22ls-75 absolute maximum ratings: (1) drain-source voltage VDS: 65V; (2) gate-source voltage VGS: -0.5 to +13V; (3) drain current ID: 18A; (4) storage temperature Tstg: -65 to +150°C; (5) junction temperature Tj: 225°C.
Features
blc6g22ls-75 features: (1) Typical2 carrier W-CDMA performance at frequencies of 2110MHz and 2170MHz, a supply voltage of 28V and an IDq of 690mA; (2) Easy power control; (3) Integrated ESD protection; (4) Excellent ruggedness; (5) High efficiency; (6) Excellent thermal stability; (7) Designed for broadband operation (2000 MHz to 2200 MHz) ; (8) Internally matched for ease of use; (9) Compliant to Directive 2002/95/EC, regarding Restriction of Hazardous Substances (RoHS) .
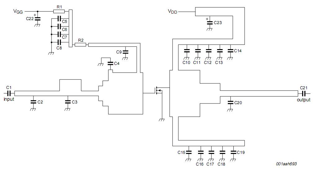
Diagrams

| Image | Part No | Mfg | Description | ![]() |
Pricing (USD) |
Quantity | ||||||||
|---|---|---|---|---|---|---|---|---|---|---|---|---|---|---|
![]() |
![]() BLC6G22LS-75,112 |
![]() NXP Semiconductors |
![]() Transistors RF MOSFET Power Single 65V 18A 0.15Ohms |
![]() Data Sheet |
![]() Negotiable |
|
||||||||
| Image | Part No | Mfg | Description | ![]() |
Pricing (USD) |
Quantity | ||||||||
![]() |
![]() BLC6G22LS-75,112 |
![]() NXP Semiconductors |
![]() Transistors RF MOSFET Power Single 65V 18A 0.15Ohms |
![]() Data Sheet |
![]() Negotiable |
|
||||||||
![]() |
![]() BLC6G27-100,112 |
![]() NXP Semiconductors |
![]() Transistors RF MOSFET Power 28V |
![]() Data Sheet |
![]()
|
|
||||||||
![]() |
![]() BLC6G27LS-100,112 |
![]() NXP Semiconductors |
![]() Transistors RF MOSFET Power Single |
![]() Data Sheet |
![]()
|
|
||||||||
![]() |
![]() BLC6G27LS-100,118 |
![]() NXP Semiconductors |
![]() Transistors RF MOSFET Power Single |
![]() Data Sheet |
![]()
|
|
||||||||
![]() |
![]() BLC6G27-100,118 |
![]() NXP Semiconductors |
![]() Transistors RF MOSFET Power 28V |
![]() Data Sheet |
![]()
|
|
||||||||
(Hong Kong)










