Product Summary
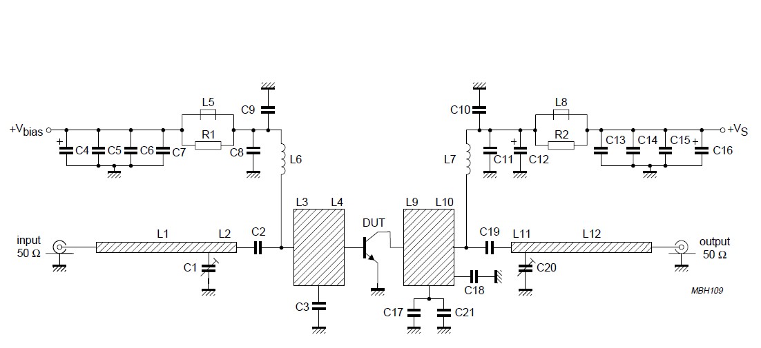
The BLV958 is a UHF power transistor.NPN silicon planar epitaxial transistors primarily intended for common emitter class-AB operation. The BLV958 have internal input and output matching by means of MOS capacitor. The encapsulations are a 2-lead rectangular SOT391A flange package and a SOT391B flangeless package, both with a ceramic cap. Application is base stations in the 800 to 960 MHz frequency range.
Parametrics
BLV958 absolute maximum ratings: (1)Collector-base voltage open emitter: 70 V; (2)Collector-emitter voltage open base: 30 V; (3)Emitter-base voltage open collector: 3 V; (4)Collector current (DC): 15 A; (5)Average collector current: 15 A; (6)Total power dissipation: 250 W; (7)Storage temperature: -65 to +150 °C; (8)Operating junction temperature: 200 °C.
Features
BLV958 features: (1)Internal input and output matching for easy matching, high gain and efficiency; (2)Poly-silicon emitter ballasting resistors for an optimum temperature profile; (3)Gold metallization ensures excellent reliability.
Diagrams

| Image | Part No | Mfg | Description | ![]() |
Pricing (USD) |
Quantity | ||||
|---|---|---|---|---|---|---|---|---|---|---|
![]() |
![]() BLV958FL |
![]() Other |
![]() |
![]() Data Sheet |
![]() Negotiable |
|
||||
![]() |
![]() BLV958 |
![]() Other |
![]() |
![]() Data Sheet |
![]() Negotiable |
|
||||
(Hong Kong)









