Product Summary
The fmm5061vf is a MMIC amplifier that contains a three-stage amplifier, internally matched, for standard communications band in the 9.5 to 13.3GHz frequency range.
Parametrics
fmm5061vf absolute maximum ratings: (1)Drain-Source Voltage VDD: 10V; (2)Gate-Source Voltage VGG: -7V; (3)Input Power Pin: 26dBm; (4)Channel Temperature Tch: 175°C; (5)Storage Temperature Tstg: -55 to 125°C.
Features
fmm5061vf features: (1)High Output Power: Pout=33.0dBm (typ.); (2)High Linear Gain: GL=27.0dB (typ.); (3)Broad Band: 9.5~13.3GHz; (4)Impedance Matched Zin/Zout=50Ω; (5)Small Hermetic Metal-Ceramic Package(VF).
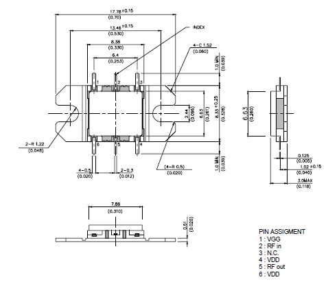
Diagrams

(Hong Kong)






