Product Summary
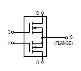
The mrf158 is an N-Channel Enhancement-Mode MOSFET designed for broadband commercial and military applications at frequencies to 175 MHz. The high power, high gain and broadband performance of the mrf158 makes possible solid state transmitters for FM broadcast or TV channel frequency bands.
Parametrics
mrf158 maximum ratings: (1)Drain Source Voltage VDSS: 125 Vdc; (2)Drain–Gate Voltage VDGO: 125 Vdc; (3)Gate Source Voltage VGS: ±40 Vdc; (4)Drain Current Continuous ID: 40 Adc; (5)Total Device Dissipation @ TC = 25℃ PD: 500 Watts; (6)Derate above 25℃: 2.85 W/℃; (7)Storage Temperature Range Tstg: -65 to +150 ℃; (8)Operating Junction Temperature TJ: 200 ℃.
Features
mrf158 features: (1)Guaranteed Performance at 175 MHz, 50 V: Output Power 300 W; Gain 14 dB (16 dB Typ); Efficiency 50%; (2)Low Thermal Resistance 0.35℃/W; (3)Ruggedness Tested at Rated Output Power; (4)Nitride Passivated Die for Enhanced Reliability.
Diagrams

| Image | Part No | Mfg | Description | ![]() |
Pricing (USD) |
Quantity | ||||||||||||
|---|---|---|---|---|---|---|---|---|---|---|---|---|---|---|---|---|---|---|
![]() |
![]() MRF158 |
![]() M/A-COM Technology Solutions |
![]() Transistors RF MOSFET Power 5-500MHz 2Watts 28Volt Gain 16dB |
![]() Data Sheet |
![]()
|
|
||||||||||||
| Image | Part No | Mfg | Description | ![]() |
Pricing (USD) |
Quantity | ||||||||||||
![]() |
![]() MRF1.6/5.6 |
![]() Other |
![]() |
![]() Data Sheet |
![]() Negotiable |
|
||||||||||||
![]() |
![]() MRF1.6/5.6-AP-2.5C |
![]() Hirose Connector |
![]() RF Connectors Obsolete |
![]() Data Sheet |
![]() Negotiable |
|
||||||||||||
![]() |
![]() MRF1.6/5.6-AP-59U |
![]() Hirose Connector |
![]() RF Connectors Obsolete |
![]() Data Sheet |
![]() Negotiable |
|
||||||||||||
![]() |
![]() MRF1.6/5.6-BCUPA |
![]() Hirose Connector |
![]() RF Connectors Obsolete |
![]() Data Sheet |
![]() Negotiable |
|
||||||||||||
![]() |
![]() MRF1.6/5.6-LPJ-179U |
![]() Hirose Connector |
![]() RF Connectors Obsolete |
![]() Data Sheet |
![]() Negotiable |
|
||||||||||||
![]() MRF1.6/5.6-LR-PC-1 |
![]() Hirose Connector |
![]() RF Connectors Obsolete |
![]() Data Sheet |
![]() Negotiable |
|
|||||||||||||
(Hong Kong)










