Product Summary
The mrf18090b is a lateral n-channel broadband rf power MOSFET. The mrf18090b is designed for broadband commercial and industrial applications at frequencies to 1.0 GHz. The high gain and broadband performance of the mrf18090b makes them ideal for large–signal, common source amplifier applications in 28 volt base station equipment.
Parametrics
mrf18090b absolute maximum ratings: (1)Drain–Source Voltage VDSS: 65 Vdc; (2)Gate–Source Voltage VGS: ±20 Vdc; (3)Drain Current Continuous ID: 7 Adc; (4)Total Device Dissipation @ TC = 70℃ PD: 118Watts; (5)Derate above 70℃: 0.9W/℃; (6)Storage Temperature Range Tstg: – 65 to +150 ℃; (7)Operating Junction Temperature TJ: 200 ℃.
Features
mrf18090b features: (1)Guaranteed Performance @ 945 MHz, 28 Volts. Output Power = 60 Watts. Power Gain = 11.5 dB. Efficiency = 53%; (2)Characterized with Series Equivalent Large Lignal Impedance Parameters; (3)S-Parameter Characterization at High Bias Levels; (4)Excellent Thermal Stability; (5)Capable of Handling 30:1 VSWR @ 28 Vdc, 945 MHz.
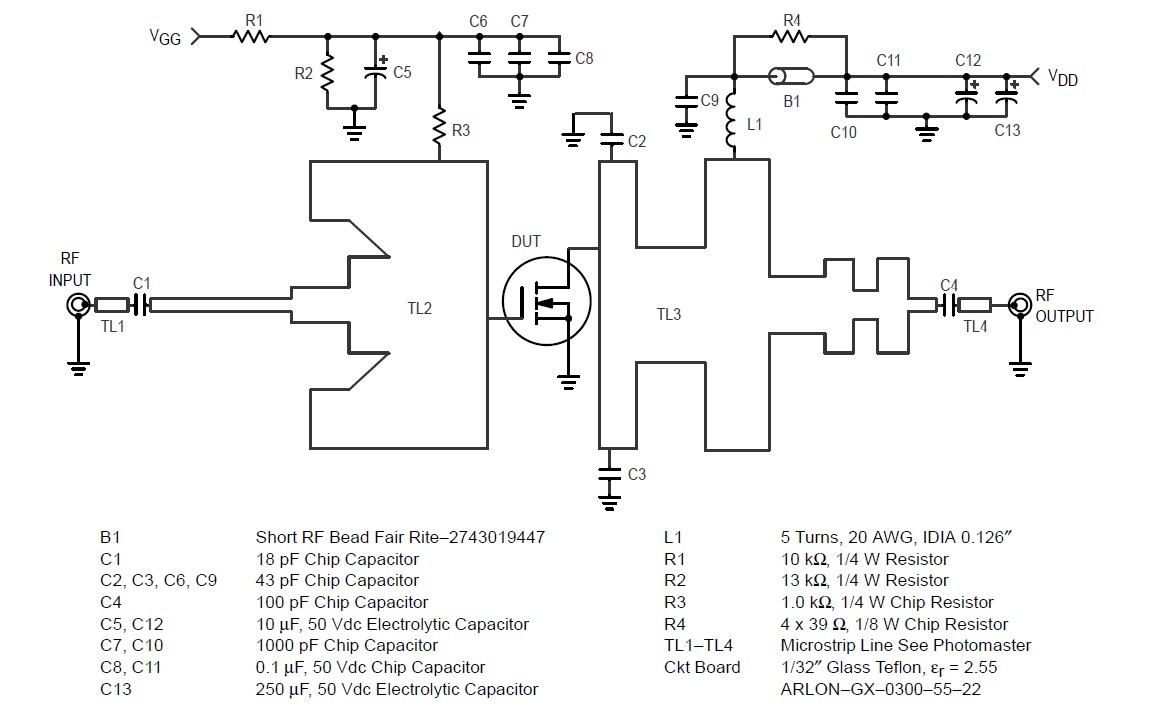
Diagrams

| Image | Part No | Mfg | Description | ![]() |
Pricing (USD) |
Quantity | ||||
|---|---|---|---|---|---|---|---|---|---|---|
![]() |
![]() MRF18090BR3 |
![]() Other |
![]() |
![]() Data Sheet |
![]() Negotiable |
|
||||
![]() |
![]() MRF18090BSR3 |
![]() Other |
![]() |
![]() Data Sheet |
![]() Negotiable |
|
||||
(Hong Kong)









