Product Summary
The mrf842 is an NPN silicon RF power transisitor designed for 12.5 volt UHF large–signal, common–base amplifier applica-tions in industrial and commercial FM equipment operating in the range of 806 – 960 MHz.
Parametrics
mrf842 absolute maximum ratings: (1)Collector–Emitter Voltage: VCEO 16Vdc; (2)Collector–Base Voltage: VCBO 36Vdc ; (3)Emitter–Base Voltage: VEBO 4.0Vdc; (4)Collector Current — Continuous: IC 7.6Adc.
Features
mrf842 features: (1)Specified 12.5 Volt, 870 MHz Characteristics; (2)Output Power = 20 Watts ; (3)Power Gain = 6.0 dB Min; (4)Efficiency = 50% Min; (5)Series Equivalent Large–Signal Characterization; (6)Internally Matched Input for Broadband Operation; (7)Tested for Load Mismatch Stress at All Phase Angles with 20:1 VSWR @15.5 Volt Supply and 50% RF Overdrive; (8)Gold Metallized, Emitter Ballasted for Long Life and Resistance to Metal Migration; (9)Silicon Nitride Passivated.
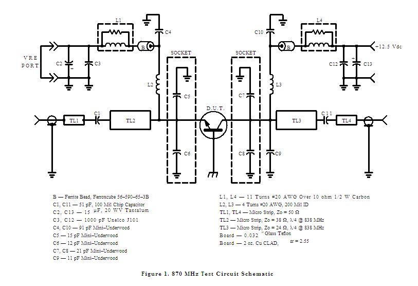
Diagrams

(Hong Kong)






