Product Summary
1MBI600U4-120 IGBT MODULE
Brand Include: Darlington, IGBT, intelligent, IPM, power conversion DC-DC, AC-DC
Applications: Frequency conversion equipment , motor speed regulation , The ship naval, aerospace, Port handling, Airport facilities, Mining and drilling, welding and other network communications and Heavy machinery Industry
Advantage brand: TOSHIBA, MITSUBISHI, HITACHI, FUJI, EUPEC, SanRex, VICOR, SEMIKRON, MOTOROLA, IR, ST and so on; include: smart, IGBT, IPM, GTR,
DC-DC, AC-DC rectifier and power supply and other modules.
Our direct supply channels, closed cooperation with manufacturers and agents reducing the flow of product .
We will do high quality control , inspection , testing of the parts no worries for you after buying
By the way We offer thoughtful, multi-faceted, all –round after sales service
Please note before purchasing
1. We will offer the module’s picture to customer before the shipment , please check it carefully
2. Please review the pictures, to ensure the model, suffix, package, appearance, etc. can meet your requirements . Only after get your confirmation then we will arrange the shipment . We can not accept any return just as all confirmed issues changed again
3. Our direct supply channels, closed cooperation with manufacturers and agents reducing the flow of product .
We will do high quality control , inspection , testing of the parts no worries for you after buying
By the way We offer thoughtful, multi-faceted, all –round after sales service
Any questions just feel free to contact with our sales person
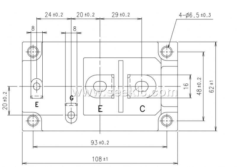
Diagrams

(Hong Kong)






