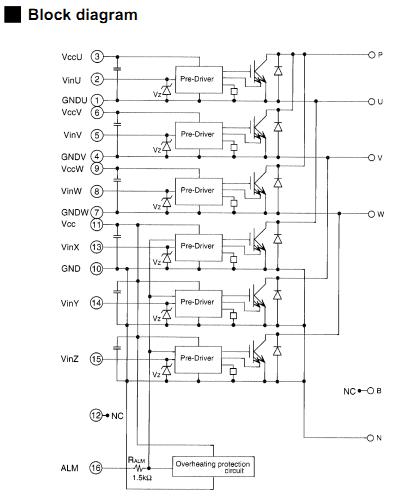
Product Summary
The 6MBP200RA060 is an IGBT module.
Parametrics
6MBP200RA060 absolute maximum ratings: (1)DC bus voltage, VDC: 0 to 450V; (2)DC bus voltage (surge), VDC(squre): 0 to 500V; (3)DC bus voltage (short operating), VSC: 200 to 400V; (4)Collector-Emitter voltage, VCES: 0 to 600V; (5)INV, Collector current, DC, IC: 200A max; 1ms, ICP: 400A max;Duty=57.8%, -IC: 200A max; Collector power dissipation, One transistor, PC: 735W; (6)Junction temperature, Tj: 150℃; (7)Input voltage of power supply for Pre-Driver, VCC: 0 to 20V; (8)Input signal voltage, VIN: 0 to VZ; (9)Input signal current, IIN: 1mA max; (10)Alarm signal voltage, VALM: 0 to VCC; (11)Alarm signal current, IALM: 15mA max; (12)Storage temperature, Tstg: -40 to 125℃; (13)Operating case temperature, Top: -20 to 100℃; (14)Isolating voltage (Case-Terminal), Viso: AC2.5kV.
Features
6MBP200RA060 features: (1)Temperature protection provided by directly detecting the junction temperature of the IGBTs; (2)Low power loss and soft switching; (3)High performance and high reliability IGBT with overheating protection; (4)Higher reliability because of a big decrease in number of parts in built-in control circuit.
Diagrams

| Image | Part No | Mfg | Description | ![]() |
Pricing (USD) |
Quantity | ||||
|---|---|---|---|---|---|---|---|---|---|---|
![]() |
![]() 6MBP200RA060 |
![]() Other |
![]() |
![]() Data Sheet |
![]() Negotiable |
|
||||
| Image | Part No | Mfg | Description | ![]() |
Pricing (USD) |
Quantity | ||||
![]() |
![]() 6MBP 150RA-060 |
![]() Other |
![]() |
![]() Data Sheet |
![]() Negotiable |
|
||||
![]() |
![]() 6MBP 15RH-060 |
![]() Other |
![]() |
![]() Data Sheet |
![]() Negotiable |
|
||||
![]() |
![]() 6MBP 75RA-120 |
![]() Other |
![]() |
![]() Data Sheet |
![]() Negotiable |
|
||||
![]() |
![]() 6MBP100RTA-060 |
![]() Other |
![]() |
![]() Data Sheet |
![]() Negotiable |
|
||||
![]() |
![]() 6MBP100RTB060 |
![]() Other |
![]() |
![]() Data Sheet |
![]() Negotiable |
|
||||
![]() |
![]() 6MBP150RA120 |
![]() Other |
![]() |
![]() Data Sheet |
![]() Negotiable |
|
||||
(Hong Kong)









