Product Summary
The 6MBP30RH-060 is an IGBT module.
Parametrics
6MBP30RH-060 absolute maximum ratings: (1)DC bus voltage: 450V; (2)DC bus voltage (Surge): 500V; (3)DC bus voltage (Short operating): 400V; (4)Collector-emitter voltage: 600V; (5)Collector current: 60A; (6)Collector power dissipation One transistor: 85W; (7)Junction temperature: 150℃; (8)Input voltage of power supply for pre-driver: –0.3 to 20V; (9)Input singal current: 1MA; (10)Alarm signal current: 15MA; (11)Storage temperature: –40 to 125℃; (12)Operating case temperature: –20 to 100℃.
Features
6MBP30RH-060 features: (1)Low power loss and soft switching; (2)High performance and high reliability IGBT with overheating protection; (3)Higher reliability because of a big decrease in number of parts in built-in control circuit.
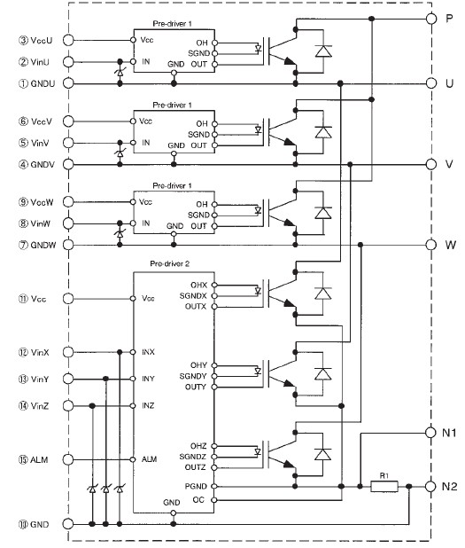
Diagrams

(Hong Kong)






