Product Summary
The flk057 is a power GaAs FET that is designed for general purpose applications in the Ku-Band frequency range as it provides superior power, gain, and efficiency.
Parametrics
flk057 absolute maximum ratings: (1)Drain-Source Voltage: 15 V; (2)Gate-Source Voltage: -5 V; (3)Total Power Dissipation: 1.875 W at TC=25 ℃; (4)Storage Temperature: -65 to +175 ℃; (5)Channel Temperature: 175 ℃.
Features
flk057 features: (1)High Output Power: P1dB = 27.0dBm(Typ.); (2)High Gain: G1dB = 7.0dB(Typ.); (3)High PAE: ηdd = 32%(Typ.); (4)Proven Reliability; (5)Hermetic Metal/Ceramic Package.
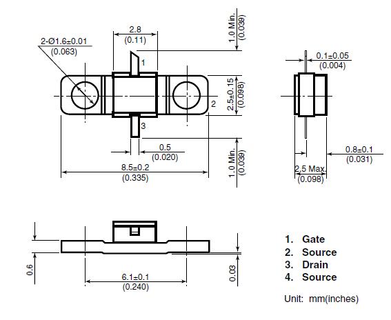
Diagrams

(Hong Kong)






