Product Summary
The tim1414-7f a microwave power GaAs FET.
Parametrics
tim1414-7f absolute maximum ratings: (1)Drain-Source Voltage VDS: 15V; (2)Gate-Source Voltage VGS: -5V; (3)Drain Current IDS: 5.7A; (4)Total Power Dissipation (Tc= 25 °C)PT: 40.5W; (5)Channel Temperature Tch: 175°C; (6)S torage Temperature Tstg: -65 to +175°C.
Features
tim1414-7f features: (1)high power: P1dB=38.5dBm at 14.0GHz to 14.5GHz; (2)broad band internally matched fet; (3)high gain: G1dB=6.5dB at 14.0GHz to 14.5GHz; (4)hermetically sealed package.
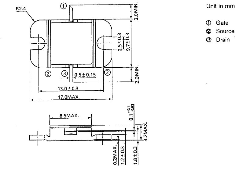
Diagrams

(Hong Kong)






