Product Summary
The tim6472-3b is a microwave power GaAs FET.
Parametrics
tim6472-3b absolute maximum ratings: (1)Drain-Source Voltage VDS: 15V; (2)Gate-Source Voltage VGS: -5V; (3)Drain Current IDS: 7A; (4)Total Power Dissipation (Tc= 25 °C)PT: 42.9 W; (5)Channel Temperature Tch: 175°C; (6)Storage Temperature Tstg: -65 to +175°C.
Features
tim6472-3b features: (1)high power: P1dB=39.5dBm at 6.4GHz to 7.2GHz; (2)broad band internallymatched FET; (3)HIGH GAIN: G1dB= 9.5dB at 6.4GHz to 7.2GHz; (4)hermetically sealed package.
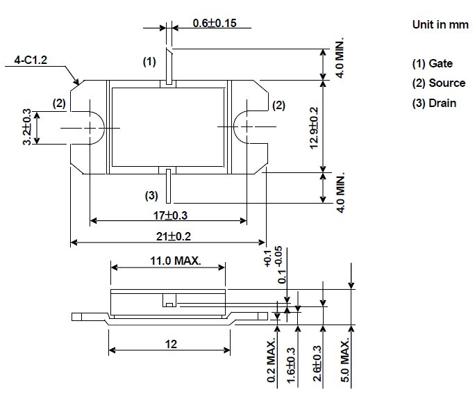
Diagrams

(Hong Kong)






