Product Summary
The ITR20403 is an opto interrupter. The ITR20403 consists of an infrared emitting diode and a silicon phototransistor encased in a black thermo-plastic housing. The advantage of the device is the small package. Phototransistor receives radiation from the IR LED only, and avoids the noise from ambient light. The applications of the ITR20403 are Camera, Copier, Scanner, Non-contact Switching.
Parametrics
ITR20403 absolute maximum ratings: (1)Power Dissipation at(or below)25℃: 75 mW; (2)Reverse Voltage VR: 5 V; (3)Forward Current IF: 50 mA; (4)Peak Forward Current: 1 A; (5)Collector Power Dissipation PC: 75 mW; (6)Collector Current IC: 20 mA; (7)Collector-Emitter Voltage B VCEO: 30 V; (8)Emitter-Collector Voltage B VECO: 5 V; (9)Operating Temperature Topr: -25~+85 ℃; (10)Storage Temperature Tstg: -40~+85 ℃; (11)Lead Soldering Temperature (*2)Tsol: 260 ℃.
Features
ITR20403 features: (1)Fast response time; (2)High sensitivity; (3)Thin and small package; (4)Pb free; (5)This product itself will remain within RoHS compliant version.
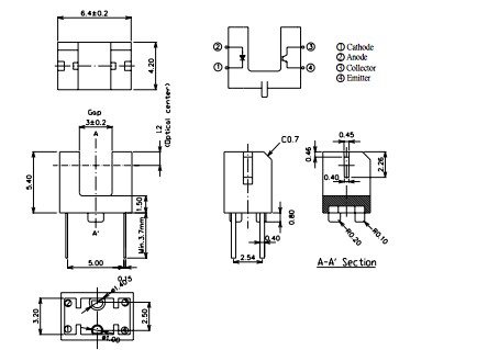
Diagrams

| Image | Part No | Mfg | Description | ![]() |
Pricing (USD) |
Quantity | ||||||||||||
|---|---|---|---|---|---|---|---|---|---|---|---|---|---|---|---|---|---|---|
![]() |
![]() ITR20403 |
![]() |
![]() OPTO INTERRUPTER |
![]() Data Sheet |
![]()
|
|
||||||||||||
| Image | Part No | Mfg | Description | ![]() |
Pricing (USD) |
Quantity | ||||||||||||
![]() |
![]() ITR20001/T |
![]() |
![]() OPTO INTERRUPTER |
![]() Data Sheet |
![]()
|
|
||||||||||||
![]() |
![]() ITR20001-T |
![]() Other |
![]() |
![]() Data Sheet |
![]() Negotiable |
|
||||||||||||
![]() |
![]() ITR20002 |
![]() |
![]() OPTO INTERRUPTER |
![]() Data Sheet |
![]()
|
|
||||||||||||
![]() |
![]() ITR20002-A |
![]() Everlight |
![]() Optical Switches, Reflective, with Phototransistor Output Opto Interrupter |
![]() Data Sheet |
![]()
|
|
||||||||||||
![]() |
![]() ITR20004 |
![]() Everlight |
![]() Optical Switches, Reflective, with Phototransistor Output Opto Interrupter |
![]() Data Sheet |
![]()
|
|
||||||||||||
![]() |
![]() ITR20005 |
![]() Other |
![]() |
![]() Data Sheet |
![]() Negotiable |
|
||||||||||||
(Hong Kong)






