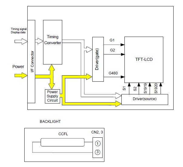
Product Summary
The AA104VC02 is a 10.4” color TFT-LCD (Thin Film Transistor Liquid Crystal Display) module composed of LCD panel, driver ICs, control circuit, and backlight unit. By applying 6 bit digital data 640 × 480, 260K-color images are displayed on the 10.4” diagonal screen. Input power voltage is single 3.3 / 5.0V for LCD driving. Both 3.3V-CMOS and 5.0V-CMOS level voltage are acceptable for logic input voltage.
Parametrics
aa104vc02 absolute maximum ratings: (1)Power Supply Voltage for LCD VCC: -0.3 to 6.5 V; (2)Logic Input Voltage VI: 0 to 6.5 V; (3)Lamp Voltage VL: 0 to TBD Vrms; (4)Lamp Current IL: 0 to TBD mArms; (5)Lamp Frequency FL: TBD kHz; (6)Operation Temperature: Top 0 to (60)°C; (7)Storage Temperature Note 2)Tstg: -20 to (70)°C.
Features
aa104vc02 features: (1)Number of Dots 640 × 3 (H)× 480 (V); (2)Pixel Pitch (mm)0.33 (H)× 0.33 (V); (3)Color Pixel Arrangement RGB vertical stripe; (4)Display Mode normally white; (5)Number of Color 260K; (6)Wide Viewing Angle Technology Optical compensation film.
Diagrams

(Hong Kong)






