Product Summary
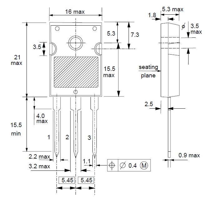
The BYV74W-400 is a dual, common cathode, ultra-fast, epitaxial rectifier diode intended for use as output rectifiers in high frequency switched mode power supplies. The BYV74W-400 series is supplied in the conventional leaded SOT429 (TO247) package.
Parametrics
BYV74W-400 absolute maximum ratings: (1)Peak repetitive reverse voltage: 500 V; (2)Crest working reverse voltage: 500 V; (3)Continuous reverse voltage: 500 V; (4)Average rectified output current: 30 A; (5)Repetitive peak forward current per diode: 30 A; (6)Non-repetitive peak forward current per diode t = 10 ms: 150 A; (7)Non-repetitive peak forward current per diode t = 8.3 ms: 160 A; (8)Storage temperature: -40 to 150 °C; (9)Operating junction temperature: 150 °C.
Features
BYV74W-400 features: (1)Low forward volt drop; (2)Fast switching; (3)Soft recovery characteristic; (4)High thermal cycling performance; (5)Low thermal resistance.
Diagrams

| Image | Part No | Mfg | Description | ![]() |
Pricing (USD) |
Quantity | ||||
|---|---|---|---|---|---|---|---|---|---|---|
![]() |
![]() BYV74W-400,127 |
![]() NXP Semiconductors |
![]() Rectifiers RAIL REC-EPI |
![]() Data Sheet |
![]() Negotiable |
|
||||
![]() |
![]() BYV74W-400 |
![]() NXP Semiconductors |
![]() Rectifiers RAIL REC-EPI |
![]() Data Sheet |
![]() Negotiable |
|
||||
(Hong Kong)









