Product Summary
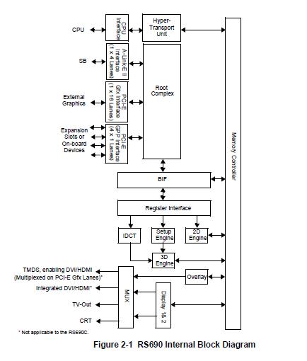
The 216LQA6AVA12FG is an Integrated Graphics Processor (IGP). It integrates a DirectX 9.0 compliant 2D/3D graphics core and a system controller in a single chip. The 216LQA6AVA12FG supports the AMD Athlon 64, Athlon 64 FX, Athlon 64 X2, and Sempron processors, including AM2 socket CPUs. All CPUs are supported on both high performance and value platforms. The 216LQA6AVA12FG integrates an ATI Radeon X700-based graphics engine, dual display, a TV encoder, an integrated DVI/HDMI interface, an integrated TMDS controller, and Northbridge functionality in a single BGA package. Comparing with the RS485, the 216LQA6AVA12FG provides additional features with reduced overall system power.
Parametrics
216LQA6AVA12FG absolute maximum ratings: (1)Operating Case Temperature: 0 to 95℃; (2)Operating Junction Temperature: 104℃; (3)Absolute Rated Junction Temperature: 125℃; (4)Storage Temperature: -40 to 60℃; (5)Ambient Temperature: 0 to 45℃; (6)Thermal Design Power: 8W.
Features
216LQA6AVA12FG features: (1)Multi-texturing via one texture blending unit per pixel pipes, allowing up to 512 texel reads per pixel in a single pass; (2)3D Texture support, including projective 3D textures; (3)Comprehensive support for bump mapping: emboss, dot-product, and environment bump maps; (4)Improved precision in anisotropic filtering and bilinear filtering; (5)Supports a maximum resolution of 2048x1536 @ 32bpp for a maximum pixel clock speed of 400MHz (driver-limited); (6)Complete 3D primitive support: points, lines, triangles, lists, strips and quadrilaterals and BLTs with Z compare; (7)Improved texture compositing; (8)8-bit stencil buffer; (9)Bilinear and trilinear texture filtering; (10)Full support of Direct3D texture lighting.
Diagrams

(Hong Kong)






