Product Summary
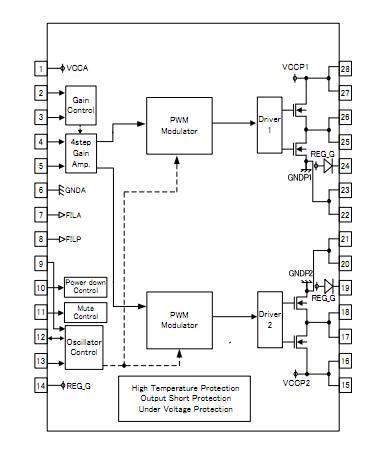
The BD5445EFV-E2 is an Analog input type Class D Speaker Amplifier designed for Flat-panel TVs in particular for space-saving and low-power consumption, delivers an output power of 17W+17W. This IC BD5445EFV-E2 employs state-of-the-art Bipolar, CMOS, and DMOS (BCD) process technology that eliminates turn-on resistance in the output power stage and internal loss due to line resistances up to an ultimate level. With this technology, the IC BD5445EFV-E2 can achieve high efficiency of 91% (10W+10W output with 8? load).In addition, the IC is packaged in a compact reverse heat radiation type power package to achieve low power consumption and low heat generation and eliminates necessity of external heat-sink up to a total output power of 34W. This product BD5445EFV-E2 satisfies both needs for drastic downsizing, low-profile structures and powerful, high-quality playback of sound system.
Parametrics
BD5445EFV-E2 absolute maximum ratings: (1)Supply voltage, Vcc: 30 V; (2)Power dissipation, Pd: 1.45 W; (3)Input voltage for signal, VIN: -0.3 ~ 5.3 V; (4)Input voltage for control, VCONT: -0.3 ~ Vcc + 0.3 V; (5)Input voltage for clock, VOSC: -0.3 ~ 5.3 V; (6)Operating temperature range, Topr: -25 ~ +85℃; (7)Storage temperature range, Tstg: -55 ~ +150℃; (8)Maximum junction temperature, Tjmax: +150 ℃.
Features
BD5445EFV-E2 features: (1)17W stereo single-ended outputs; 34W mono bridge-tied-load output; (2)Wide supply voltage (From 10V to 27V); (3)Four selectable gain (14, 20, 26, 32dB); (4)Master / Slave function; (5)Soft-start and Soft-mute; (6)Low noise, Low distortion; (7)Various protection functions (High temperature, Output short, Under voltage); (8)Small power package (HTSSOP-B28).
Diagrams

![]() |
![]() BD540 |
![]() Bourns |
![]() Transistors Bipolar (BJT) 45W PNP Silicon |
![]() Data Sheet |
![]() Negotiable |
|
||||||||
![]() |
![]() BD540A |
![]() Bourns |
![]() Transistors Bipolar (BJT) 45W PNP Silicon |
![]() Data Sheet |
![]() Negotiable |
|
||||||||
![]() |
![]() BD540A-S |
![]() Bourns |
![]() Transistors Switching (Resistor Biased) 60V 5A PNP |
![]() Data Sheet |
![]()
|
|
||||||||
![]() |
![]() BD540B |
![]() Bourns |
![]() Transistors Bipolar (BJT) 45W PNP Silicon |
![]() Data Sheet |
![]() Negotiable |
|
||||||||
![]() |
![]() BD540B-S |
![]() Bourns |
![]() Transistors Switching (Resistor Biased) 80V 5A PNP |
![]() Data Sheet |
![]()
|
|
||||||||
![]() |
![]() BD540C |
![]() Bourns |
![]() Transistors Bipolar (BJT) 45W PNP Silicon |
![]() Data Sheet |
![]() Negotiable |
|
||||||||
(Hong Kong)








