Product Summary
The LM324DR consists of four independent high-gain frequency-compensated operational amplifiers that are designed specifically to operate from a single supply over a wide range of voltages. Operation of the LM324DR from split supplies also is possible if the difference between the two supplies is 3 V to 32 V (3 V to 26 V for the LM2902), and VCC is at least 1.5 V more positive than the input common-mode voltage. The low supply-current drain of the LM324DR is independent of the magnitude of the supply voltage. Applications include transducer amplifiers, dc amplification blocks, and all the conventional operational-amplifier circuits that now can be more easily implemented in single-supply-voltage systems.
Parametrics
LM324DR absolute maximum ratings: (1)Supply voltage, VCC: ±13 or 26V; (2)Differential input voltage, VID: ±26; (3)Input voltage, VI: -0.3 to 26; (4)Operating virtual junction temperature, TJ: 150 ℃; (5)Case temperature for 60 seconds FK package: 260 ℃; (6)Lead temperature 1,6 mm (1/16 inch) from case for 60 seconds J or W package: 300 ℃; (7)Storage temperature range, Tstg: -65 to 150℃.
Features
LM324DR features: (1)Wide Supply Ranges; (2)Low Supply-Current Drain Independent of Supply Voltage: 0.8 mA Typ; (3)Low Input Bias and Offset Parameters; (4)Differential Input Voltage Range Equal to Maximum-Rated Supply Voltage: 32 V; (5)Open-Loop Differential Voltage Amplification: 100 V/mV Typ; (6)Internal Frequency Compensation.
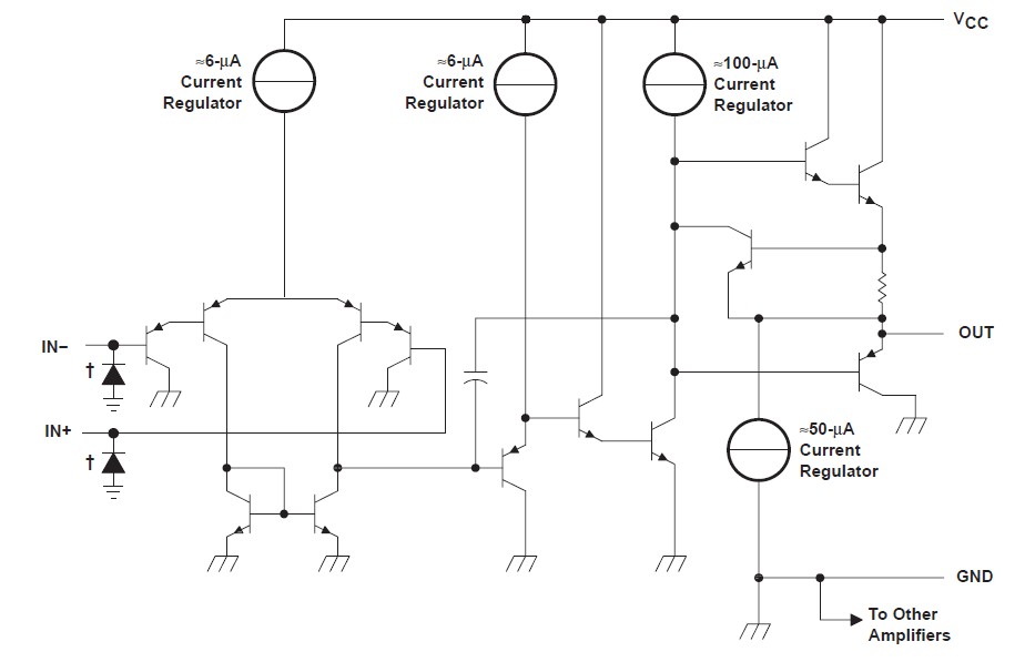
Diagrams

| Image | Part No | Mfg | Description | ![]() |
Pricing (USD) |
Quantity | ||||||||||||
|---|---|---|---|---|---|---|---|---|---|---|---|---|---|---|---|---|---|---|
![]() |
![]() LM324DR |
![]() Texas Instruments |
![]() Operational Amplifiers - Op Amps Quad GP Op Amp |
![]() Data Sheet |
![]()
|
|
||||||||||||
![]() |
![]() LM324DR2 |
![]() ON Semiconductor |
![]() Operational Amplifiers - Op Amps 3-32V Quad 5mV VIO |
![]() Data Sheet |
![]() Negotiable |
|
||||||||||||
![]() |
![]() LM324DR2G |
![]() ON Semiconductor |
![]() Operational Amplifiers - Op Amps 3-32V Quad 5mV VIO Commercial Temp |
![]() Data Sheet |
![]()
|
|
||||||||||||
![]() |
![]() LM324DRG4 |
![]() Texas Instruments |
![]() Operational Amplifiers - Op Amps Quad General-Purpose Op Amp |
![]() Data Sheet |
![]()
|
|
||||||||||||
![]() |
![]() LM324DRG3 |
![]() Texas Instruments |
![]() Operational Amplifiers - Op Amps Quadruple Op Amp |
![]() Data Sheet |
![]()
|
|
||||||||||||
![]() |
![]() LM324DRE4 |
![]() Texas Instruments |
![]() Operational Amplifiers - Op Amps Quad General-Purpose Op Amp |
![]() Data Sheet |
![]()
|
|
||||||||||||
(Hong Kong)









