Product Summary
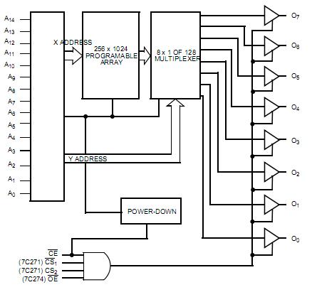
The CY7C271-35WMB is a high-performance 32,768-word by 8-bit CMOS PROM. It is packaged in the 300-mil slim package.
Parametrics
CY7C271-35WMB absolute maximum ratings: (1)Storage Temperature:-65℃ to +150℃; (2)Ambient Temperature with Power Applied:-55℃ to +125℃; (3)Supply Voltage to Ground Potential:-0.5V to +7.0V; (4)DC Voltage Applied to Outputs in High Z State:-0.5V to +7.0V; (5)DC Input Voltage:-3.0V to +7.0V; (6)DC Program Voltage:13.0V.
Features
CY7C271-35WMB features: (1)CMOS for optimum speed/power; (2)Windowed for reprogrammability; (3)High speed:30 ns (Commercial),35 ns (Military); (4)Low power:660 mW (commercial),715 mW (military); (5)Super low standby power:Less than 165 mW when deselected; (6)EPROM technology 100% programmable; (7)Slim 300-mil package; (8)Direct replacement for bipolar PROMs; (9)Capable of withstanding >2001V static discharge.
Diagrams

![]() |
![]() CY7C006 |
![]() Other |
![]() |
![]() Data Sheet |
![]() Negotiable |
|
||||||||||||
![]() |
![]() CY7C006A |
![]() Other |
![]() |
![]() Data Sheet |
![]() Negotiable |
|
||||||||||||
![]() |
![]() CY7C006A-15AXC |
![]() Cypress Semiconductor |
![]() SRAM 5V 16Kx8 COM Dual Port SRAM |
![]() Data Sheet |
![]() Negotiable |
|
||||||||||||
![]() |
![]() CY7C006A-15AXCT |
![]() Cypress Semiconductor |
![]() SRAM 5V 16Kx8 COM Dual Port SRAM |
![]() Data Sheet |
![]() Negotiable |
|
||||||||||||
![]() |
![]() CY7C006A-20AC |
![]() |
![]() IC SRAM 16KX8 DUAL 64LQFP |
![]() Data Sheet |
![]() Negotiable |
|
||||||||||||
![]() |
![]() CY7C006A-20AXC |
![]() Cypress Semiconductor |
![]() SRAM 5V 16Kx8 COM Dual Port SRAM |
![]() Data Sheet |
![]()
|
|
||||||||||||
(Hong Kong)










