Product Summary
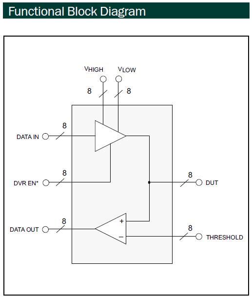
The E649APJ is an octal pin electronics driver and receiver combination fabricated in a high- performance CMOS process. It is designed for automatic test equipment and instrumentation where cost, functional density, and power are all at a premium. The E649APJ incorporates eight channels of programmable drivers and receivers into one package. Each channel has per pin driver levels, receiver threshold, and tristate control.The applications of the E649APJ include Burn-In ATE, Functional Board Testers, In-Circuit Board Testers, Combinational Board Testers, Low Cost Chip Testers, ASIC Verifiers and VXI-Based Test Equipment. The 11V driver output and receiver input range allows the E649APJ to interface directly between TTL, ECL, CMOS (3V, 5V, and 8V), and custom level circuitry.
Parametrics
E649APJ absolute maximum ratings: (1)Total Analog Power Supply, VCC - VEE: 13 V; (2)Positive Analog Power Supply, VCC: +5.0 to 13 V; (3)Negative Analog Power Supply, VEE: -4.0 to 0.5 V; (4)Driver High Output Voltage, VHIGH: VEE - .5 to VCC + .5 V; (5)Driver Low Output Voltage VLOW, VEE: - .5 to VCC + .5 V; (6)Driver Output Swing, VHIGH - VLOW :-5 to 12 V; (7)Receiver Threshold Voltage, THRESHOLD: VEE - .5 to VCC + .5 V; (8)Digital Inputs, DATA IN DVR EN: GND - .5 to VDD + .5 V; (9)Digital Power Supply, VDD: 0 to 6.5 V; (10)Ambient Operating Temperature, TA: -55 to +125 ℃; (11)Storage Temperature, TS: -65 to +150 ℃; (12)Junction Temperature, TJ: +150 ℃ max; (13)Soldering Temperature, TSOL: 260℃ max.
Features
E649APJ features: (1)50 MHz Operation; (2)11 V DUT I/O Range; (3)Programmable Output Levels; (4)Programmable Input Thresholds; (5)Per Pin Flexibility; (6)High Integration Levels; (7)615 mW Quiescent Power Dissipation; (8)Edge648 Compatible.
Diagrams

 (Hong Kong)
 (Hong Kong) 
                         
                        
 
                                    




