Product Summary
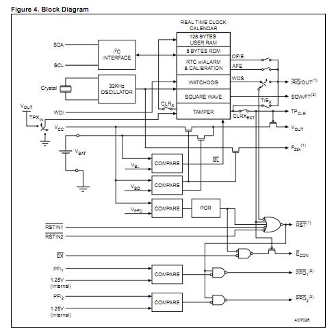
The M41ST87WMX6 is a low power 1280-bit, static CMOS SRAM organized as 160 bytes by 8 bits. A built-in 32.768 kHz oscillator (internal crystal-controlled) and 8 bytes of the SRAM (see Table 7., page 25) are used for the clock/calendar function and are configured in binary coded decimal (BCD) format.
Parametrics
M41ST87WMX6 absolute maximum ratings: (1)TSTG Storage Temperature (VCC Off, Oscillator Off): –55 to 125℃; (2)TSLD, Lead Solder Temperature for 10 seconds: 240℃; (3)VIO Input or Output Voltage: –0.3 to VCC+0.3 V; (4)VCC Supply Voltage: –0.3 to 7.0 V; (5)IO Output Current: 20 mA; (6)PD Power Dissipation: 1 W.
Features
M41ST87WMX6 features: (1)5.0, 3.3, OR 3.0V operating voltage; (2)serial interface supports I2C bus (400kHz); (3)Nvram supervisor for external lpsram; (4)2.5 to 5.5V oscillator operating voltage; (5)automatic switch-over and deselect circuitry.
Diagrams

| Image | Part No | Mfg | Description | ![]() |
Pricing (USD) |
Quantity | ||||||||||||
|---|---|---|---|---|---|---|---|---|---|---|---|---|---|---|---|---|---|---|
![]() |
![]() M41ST87WMX6 |
![]() STMicroelectronics |
![]() Real Time Clock Serial 1280 (160x8) |
![]() Data Sheet |
![]()
|
|
||||||||||||
![]() |
![]() M41ST87WMX6TR |
![]() STMicroelectronics |
![]() Real Time Clock Serial 1280 (160x8) |
![]() Data Sheet |
![]()
|
|
||||||||||||
(Hong Kong)









