Product Summary
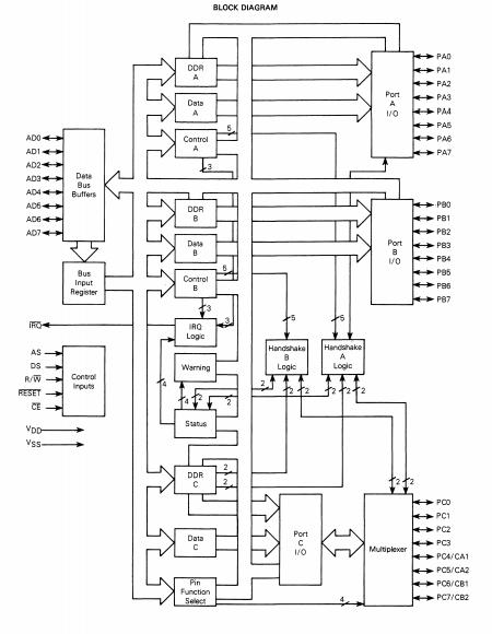
The MC146823P is a CMOS parallel interface. It provides a universal means of interfacing external signals with the MC146805E2 CMOS microprocessor and other multiplexed bus microprocessors. The MCI146823P CPI includes three bidirectional 8-bit ports or 24 I/O pins.
Parametrics
MC146823P absolute maximum ratings: (1)supply voltage, VDD: -0.3 to 8.0V; (2)all input voltages, VIN: VSS-0.5 to VDD+0.5V; (3)current drain per pin excluding VDD and VSS, I: 10mA; (4)operating temperature range, TA: 0 to 70℃; (5)storage temperature range, Tstg: -55 to 150℃.
Features
MC146823P features: (1)24 individually programmed I/O pins; (2)MOTEL circuit for bus compatibility with many microprocessros; (3)15 registers addressed as memory locations; (4)reset input to clear interrupts and initialize internal registers; (5)3.0V to 5.5V operating VDD.
Diagrams

![]() |
![]() MC14000UB |
![]() Other |
![]() |
![]() Data Sheet |
![]() Negotiable |
|
||||||||||||||||
![]() |
![]() MC14001B |
![]() Other |
![]() |
![]() Data Sheet |
![]() Negotiable |
|
||||||||||||||||
![]() |
![]() MC14001BCP |
![]() ON Semiconductor |
![]() IC GATE NOR QUAD CMOS 14DIP |
![]() Data Sheet |
![]()
|
|
||||||||||||||||
![]() |
![]() MC14001BCPG |
![]() ON Semiconductor |
![]() Gates (AND / NAND / OR / NOR) 3-18V Quad 2-Input NOR |
![]() Data Sheet |
![]()
|
|
||||||||||||||||
![]() |
![]() MC14001BDG |
![]() ON Semiconductor |
![]() Gates (AND / NAND / OR / NOR) 3-18V Quad 2-Input NOR |
![]() Data Sheet |
![]()
|
|
||||||||||||||||
![]() |
![]() MC14001BDR2 |
![]() |
![]() IC GATE NOR QUAD CMOS 14SOIC |
![]() Data Sheet |
![]()
|
|
||||||||||||||||
(Hong Kong)










