Product Summary
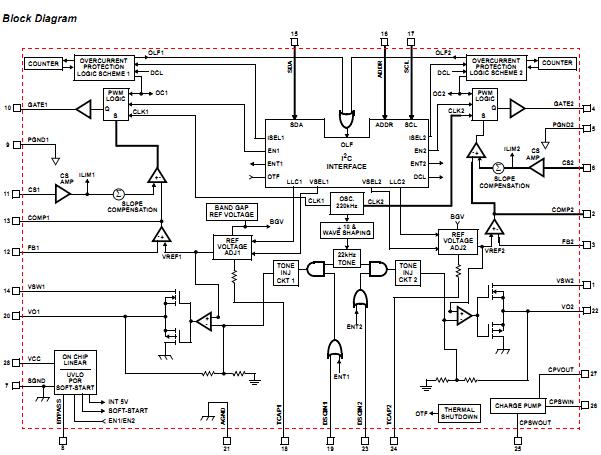
The ISL6405ERZ is a highly integrated voltage regulator and interface IC. THe device is specifically designed for supplying power and control signals from advanced satellite set-top box (STB) modules to the low noise blocks (LNBs) of two antenna ports. The ISL6405ERZ is comprised of two independent current-mode boost PWMs and two low-noise linear regulators along with the circuitry required for 22kHz tone generation, modulation and I2C device interface. The ISL6405ERZ makes the total LNB supply design simple, efficient and compact with low external component count.
Parametrics
ISL6405ERZ absolute maximum ratings: (1)Supply Voltage, VCC: 8.0V to 18.0V; (2)Logic Input Voltage Range (SDA, SCL, ENT): -0.5V to 7V.
Features
ISL6405ERZ features: (1)Single Chip Power solution: True Dual Operation for 2-Tuner/2-Dish Applications; Both Outputs May be Enabled Simultaneously at Maximum Power; Integrated DC-DC Converter and I2C Interface; (2)Switch-Mode Power Converter for Lowest Dissipation: Boost PWMs with > 92% Efficiency; Selectable 13V or 18V Outputs; Digital Cable Length Compensation (1V); (3)I2C Compatible Interface for Remote Device Control: Registered Slave Address 0001 00XX; Full 3.3V/5V Operation up to 400kHz; (4)External Pins to Select 13V/18V Options: Available with QFN Package Only; (5)Built-In Tone Oscillator Factory Trimmed to 22kHz: Facilitates DiSEqCTM (EUTELSAT) Encoding; (6)Internal Over-Temperature Protection and Diagnostics; (7)Internal Overload and Overtemp Flags (Visible on I2C); (8)LNB Short-Circuit Protection and Diagnostics; (9)QFN Package: Compliant to JEDEC PUB95 MO-220 QFN - Quad Flat No Leads - Product Outline; Near Chip-Scale Package Footprint; (10)Pb-free Packaging Available: Designated with Z Suffix (Refer to Note Below).
Diagrams

| Image | Part No | Mfg | Description | ![]() |
Pricing (USD) |
Quantity | ||||||||
|---|---|---|---|---|---|---|---|---|---|---|---|---|---|---|
![]() |
![]() ISL6405ERZ |
![]() Intersil |
![]() Linear Regulators - Standard VER OF ISL6405ER |
![]() Data Sheet |
![]()
|
|
||||||||
![]() |
![]() ISL6405ERZ-T |
![]() Intersil |
![]() Linear Regulators - Standard VER OF ISL6405ER-T |
![]() Data Sheet |
![]()
|
|
||||||||
(Hong Kong)









