Product Summary
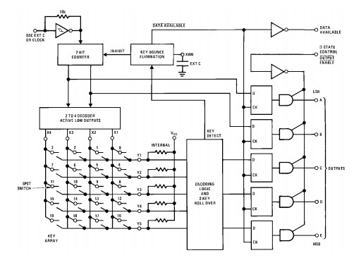
The MM74C922N is a 16-key encoder. The keyboard scan can be implemented by either an external clock or external capacitor. These encoders also have on-chip pull-up devices which permit switches with up to 50 kΩ on resistance to be used.
Parametrics
MM74C922N absolute maximum ratings: (1)voltage at any pin: VCC-0.3 to VCC+0.3V; (2)Operating temperature range: -40 to 85℃; (3)storage temperature range: -65 to 150℃; (4)power dissipation: 700mW; (5)operating VCC range: 3 to 15V.
Features
MM74C922N features: (1)50 kΩ maximum switch on resistance; (2)On or off chip clock; (3)On-chip row pull-up devices; (4)2 key roll-over; (5)Keybounce elimination with single capacitor; (6)Last key register at outputs.
Diagrams
| Image | Part No | Mfg | Description | ![]() |
Pricing (USD) |
Quantity | ||||
|---|---|---|---|---|---|---|---|---|---|---|
![]() |
![]() MM74C922N |
![]() Fairchild Semiconductor |
![]() Encoders, Decoders, Multiplexers & Demultiplexers 16-Key Encoder |
![]() Data Sheet |
![]() Negotiable |
|
||||
![]() |
![]() MM74C922N_Q |
![]() Fairchild Semiconductor |
![]() Encoders, Decoders, Multiplexers & Demultiplexers 16-Key Encoder |
![]() Data Sheet |
![]() Negotiable |
|
||||
(Hong Kong)









