Product Summary
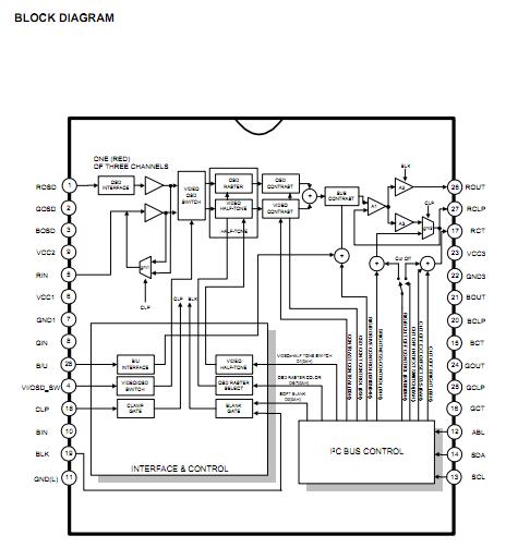
The S1D2506A01-D1 is a very high frequency video amplifier system with I2C Bus control used in Monitors with high resolution up to1280 1024. The S1D2506A01-D1 contains 3 matched R/G/B video Amplifiers with OSD interface and provides flexible interfacing to I2C Bus controlled adjustment systems.
Parametrics
S1D2506A01-D1 absolute maximum ratings: (1)Maximum Supply Voltage VCC1/2/3/VDD: 13.2 V; (2)Operating Temperature, Topr -20 to 80℃; (3)Storage Temperature Tstg: -65 to 150℃; (4)Operating Supply Voltage Vccop: 11.4 12.0 12.6 V; (5)Power Dissipation PD: 2.0 W.
Features
S1D2506A01-D1 features: (1)Clamp Gate With Anti OSD Sagging; (2)B/U(Brightness Uniformity) Interface; (3)Video Input Clamp, BRT Clamp; (4)Video & OSD Half Tone Function on OSD ; (5)OSD Interface, OSD BLK; (6)ABL; (7)TL R/G/B OSD Inputs, 80MHz bandwidth; (8)Contrast Control Range: -38dB; (9)OSD Contrast Control Range: -38dB.
Diagrams

![]() |
![]() S1D2147A01 |
![]() Other |
![]() |
![]() Data Sheet |
![]() Negotiable |
|
||||
![]() |
![]() S1D2500A01 |
![]() Other |
![]() |
![]() Data Sheet |
![]() Negotiable |
|
||||
![]() |
![]() S1D2502A01 |
![]() Other |
![]() |
![]() Data Sheet |
![]() Negotiable |
|
||||
![]() |
![]() S1D2502B01 |
![]() Other |
![]() |
![]() Data Sheet |
![]() Negotiable |
|
||||
![]() |
![]() S1D2503X01-D0B0 |
![]() Other |
![]() |
![]() Data Sheet |
![]() Negotiable |
|
||||
![]() |
![]() S1D2504A01 |
![]() Other |
![]() |
![]() Data Sheet |
![]() Negotiable |
|
||||
(Hong Kong)








