Product Summary
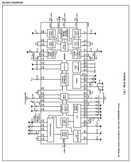
The TDA9855 is a bipolar-integrated BTSC stereo/SAP decoder with hi-fi audio processor (I2C-bus controlled) for application in TV sets.
Parametrics
TDA9855 absolute maximum ratings: (1)VCC supply voltage: 0 to 9.5 V; (2)Vn voltage of all other pins with respect to pin GND: 0 to VCC V; (3)Tamb operating ambient temperature: -20 to +70℃; (4)Tstg storage temperature: -65 to +150℃; (5)Vesd electrostatic handling: -2000 to +2000 V.
Features
TDA9855 features: (1)Quasi alignment-free BTSC stereo decoder due to automatic adjustment of channel separation via I2C-bus; (2)High integration level with automatically tuned integrated filters; (3)Input level adjustment I2C-bus controlled; (4)Alignment-free SAP processing; (5)dbx noise reduction circuit; (6)I2C-bus transceiver.
Diagrams

| Image | Part No | Mfg | Description | ![]() |
Pricing (USD) |
Quantity | ||||
|---|---|---|---|---|---|---|---|---|---|---|
![]() |
![]() TDA9855N |
![]() NXP Semiconductors |
![]() Audio Amplifiers BTSC STEREO DECODER DBXTV/AUD |
![]() Data Sheet |
![]() Negotiable |
|
||||
![]() |
![]() TDA9855/V2,112 |
![]() NXP Semiconductors |
![]() Audio Amplifiers BTSC STEREO DECODER |
![]() Data Sheet |
![]() Negotiable |
|
||||
![]() |
![]() TDA9855 |
![]() Other |
![]() |
![]() Data Sheet |
![]() Negotiable |
|
||||
(Hong Kong)









