Product Summary
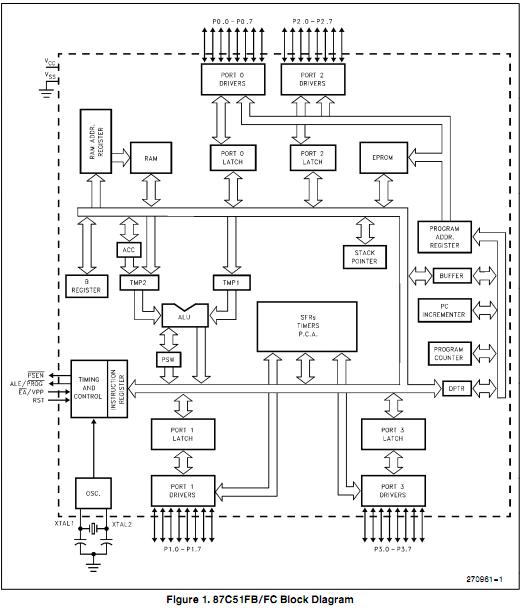
The TP87C51FB is a PROGRAM MEMORY: Up to 8 Kbytes of the program memory can reside in the 87C51FA On-Chip EPROM. Up to 16 Kbytes of the program memory can reside in the 87C51FB on-chip EPROM. Up to 32 Kbytes of the program memory can reside in the 87C51FC on-chip EPROM. In addition the TP87C51FB can address up to 64K of program memory external to the chip.
Parametrics
TP87C51FB absolute maximum ratings: (1)Ambient Temperature Under Bia: -40 to 125℃; (2)Storage Temperature: -65 to 150℃; (3)Voltage on EA/VPP Pin to VSS: 0V to 13.0V; (4)Voltage on Any Other Pin to VSS: -0.5V to 6.5V; (5)IOL Per I/O Pin: 15 mA; (6)Power Dissipation: 1.5W; (7)Typical Junction Temperature: 135℃.
Features
TP87C51FB features: (1)FX Core Architecture Device; (2)Extended Automotive Temperature Range (b40§Cto a125§C Ambient); (3)Available in 12 MHz, 16 MHz and 20 MHz Versions; (4)High Performance CHMOS EPROM; (5)Three 16-Bit Timer/Counters; (6)One-to-Three Level Program Lock System on EPROM; (7)8K On-Chip User Programmable EPROM in 87C51FA; (8)16K On-Chip User Programmable EPROM in 87C51FB; (9)32K On-Chip User Programmable EPROM in 87C51FC; (10)256 Bytes of On-Chip Data RAM.
Diagrams

| Image | Part No | Mfg | Description | ![]() |
Pricing (USD) |
Quantity | ||||
|---|---|---|---|---|---|---|---|---|---|---|
![]() |
![]() TP87C51FB1SF76 |
![]() |
![]() IC MCU 8BIT 16K OTP EXT 40-DIP |
![]() Data Sheet |
![]() Negotiable |
|
||||
![]() |
![]() TP87C51FB24SF76 |
![]() |
![]() IC MCU 8BIT 16K OTP EXT 40-DIP |
![]() Data Sheet |
![]() Negotiable |
|
||||
(Hong Kong)









