Product Summary
The mrf181z is a lateral n-channel broadband rf power MOSFET. The mrf181z is designed for broadband commercial and industrial applications at frequencies to 1.0 GHz. The high gain and broadband performance of the mrf181z makes them ideal for large–signal, common source amplifier applications in 28 volt base station equipment.
Parametrics
mrf181z absolute maximum ratings: (1)Drain–Source Voltage VDSS: 65 Vdc; (2)Gate–Source Voltage VGS: ±20 Vdc; (3)Drain Current Continuous ID: 7 Adc; (4)Total Device Dissipation @ TC = 70℃ PD: 118Watts; (5)Derate above 70℃: 0.9W/℃; (6)Storage Temperature Range Tstg: – 65 to +150 ℃; (7)Operating Junction Temperature TJ: 200 ℃.
Features
mrf181z features: (1)Guaranteed Performance @ 945 MHz, 28 Volts. Output Power = 60 Watts. Power Gain = 11.5 dB. Efficiency = 53%; (2)Characterized with Series Equivalent Large Lignal Impedance Parameters; (3)S-Parameter Characterization at High Bias Levels; (4)Excellent Thermal Stability; (5)Capable of Handling 30:1 VSWR @ 28 Vdc, 945 MHz.
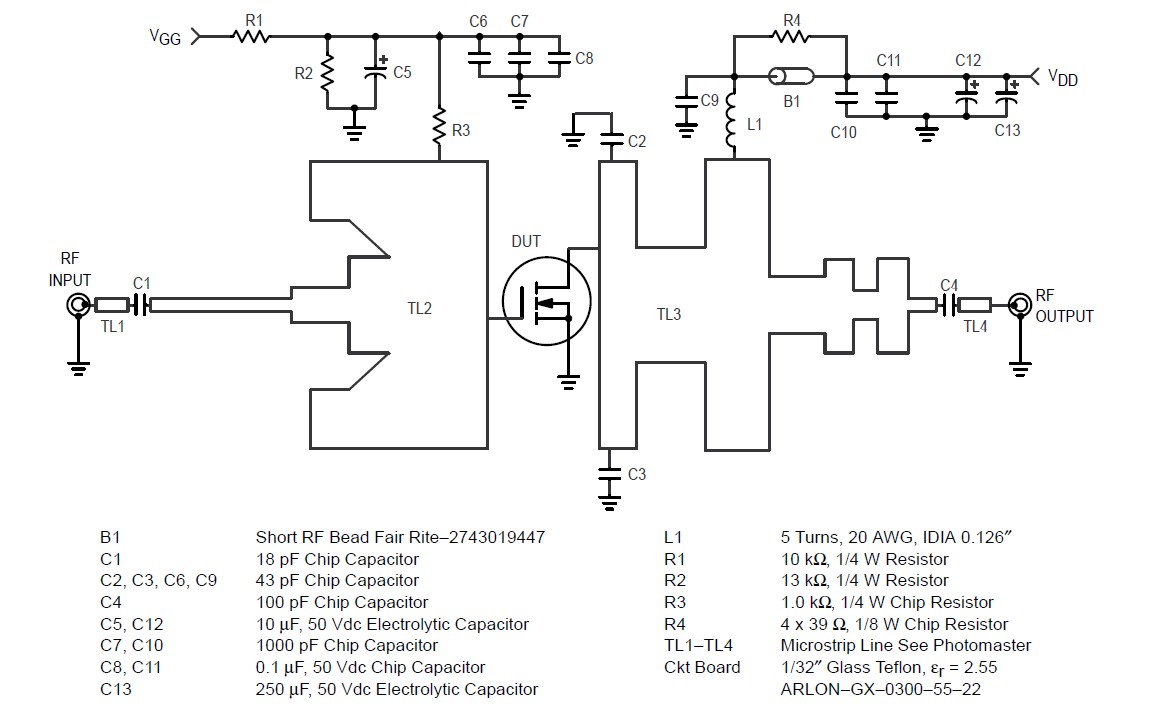
Diagrams

(Hong Kong)






