Product Summary
The MRF187S is an RF Power Field Effect Transistor. The MRF187S is a high gain and broadband performance of the MRF187S make it ideal for large–signal, common source amplifier applications in 26 volt base station equipment.
Parametrics
MRF187S absolute maximum ratings: (1)Drain–Source Voltage: VDSS: 65 Vdc; (2)Drain–Gate Voltage (RGS = 1.0 MΩ): VDGR: 65 Vdc; (3)Gate–Source Voltage: VGS: ±20 Vdc; (4)Drain Current — Continuous: ID: 15 Adc; (5)Total Device Dissipation: @ TC = 25°C: 250W, Derate above 25°C: 1.43W/°C; (6)Storage Temperature Range: Tstg: –65 to +150 °C; (7)Operating Temperature Range: TJ: 200 °C.
Features
MRF187S features: (1)Guaranteed Performance @ 880 MHz, 26 Volts: Output Power: 85 Watts PEP, Power Gain: 12 dB, Efficiency: 30%; (2)Intermodulation Distortion: –28 dBc; (3)100% Tested for Load Mismatch Stress at all Phase Angles with 5:1 VSWR @ 26 Vdc, 880 MHz, 85 Watts CW; (4)Excellent Thermal Stability; (5)Characterized with Series Equivalent Large–Signal Impedance Parameters; (6)Available in Tape and Reel. R3 Suffix = 250 Units per 56 mm, 13 Inch Reel.
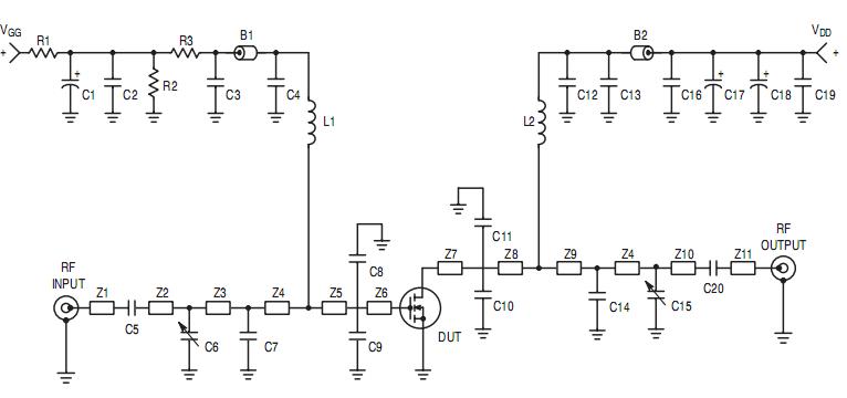
Diagrams

(Hong Kong)






