Product Summary
The mrf5p20180h is a RF power field effect transistor. Designed for W.CDMA base station applications with frequencies from 1930 to 1990 MHz. Suitable for TDMA, CDMA and multicarrier amplifier applications. To be used in Class AB for PCN.PCS/cellular radio and WLL applications.
Parametrics
mrf5p20180h absolute maximum ratings: (1)Drain.Source Voltage VDSS: 65 Vdc; (2)Gate.Source Voltage VGS: .0.5, +15 Vdc; (3)Total Device Dissipation @ TC = 25°C Derate above 25°C PD: 407 Watts; (4)Storage Temperature Range Tstg: -65 to +150 °C; (5)Operating Junction Temperature TJ: 200 °C; (6)CW Operation CW: 120 Watts.
Features
mrf5p20180h features: (1)Internally Matched, Controlled Q, for Ease of Use; (2)High Gain, High Efficiency and High Linearity; (3)Integrated ESD Protection; (4)Designed for Maximum Gain and Insertion Phase Flatness; (5)Capable of Handling 10:1 VSWR, @ 28 Vdc, 1960 MHz, 120 Watts CW; (6)Output Power; (7)Excellent Thermal Stability; (8)Characterized with Series Equivalent Large.Signal Impedance Parameters; (9)Qualified Up to a Maximum of 32 VDD Operation; (10)In Tape and Reel. R6 Suffix = 150 Units per 56 mm, 13 inch Reel.
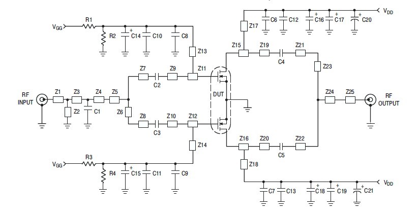
Diagrams

| Image | Part No | Mfg | Description | ![]() |
Pricing (USD) |
Quantity | ||||
|---|---|---|---|---|---|---|---|---|---|---|
![]() |
![]() MRF5P20180HR5 |
![]() |
![]() MOSFET RF N-CHAN 28V 38W NI-1230 |
![]() Data Sheet |
![]() Negotiable |
|
||||
![]() |
![]() MRF5P20180HR6 |
![]() |
![]() MOSFET RF N-CHAN 28V 38W NI-1230 |
![]() Data Sheet |
![]() Negotiable |
|
||||
(Hong Kong)









