Product Summary
The mrf5p21180hr6 is a RF power field effect transistor. The mrf5p21180hr6 is designed for W-CDMA base station applications with frequencies from 2110 to 2170 MHz. Suitable for TDMA, CDMA and multicarrier amplifier applications. To be used in Class AB for PCN-PCS/cellular radio and WLL applications.
Parametrics
mrf5p21180hr6 absolute maximum ratings: (1)Drain-Source Voltage VDSS: -0.5, +65 Vdc; (2)Gate-Source Voltage VGS: -0.5, +15 Vdc; (3)Total Device Dissipation @ TC = 25°C PD: 530 W; (4)Storage Temperature Range Tstg: - 65 to +150 °C; (5)Case Operating Temperature TC: 150 °C; (6)Operating Junction Temperature TJ: 200 °C.
Features
mrf5p21180hr6 features: (1)Characterized with Series Equivalent Large-Signal Impedance Parameters; (2)Internally Matched for Ease of Use; (3)Qualified Up to a Maximum of 32 VDD Operation; (4)Integrated ESD Protection; (5)Lower Thermal Resistance Package; (6)Low Gold Plating Thickness on Leads, 40μ Nominal; (7)RoHS Compliant; (8)In Tape and Reel. R6 Suffix = 150 Units per 56 mm, 13 inch Reel.
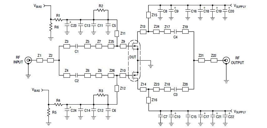
Diagrams

| Image | Part No | Mfg | Description | ![]() |
Pricing (USD) |
Quantity | ||||||||||||
|---|---|---|---|---|---|---|---|---|---|---|---|---|---|---|---|---|---|---|
![]() |
![]() MRF5P21180HR6 |
![]() Freescale Semiconductor |
![]() Transistors RF MOSFET Power HV5 38W WCDMA NI1230H |
![]() Data Sheet |
![]() Negotiable |
|
||||||||||||
| Image | Part No | Mfg | Description | ![]() |
Pricing (USD) |
Quantity | ||||||||||||
![]() |
![]() MRF517 |
![]() Other |
![]() |
![]() Data Sheet |
![]() Negotiable |
|
||||||||||||
![]() |
![]() MRF5174 |
![]() Advanced Semiconductor, Inc. |
![]() Transistors RF Bipolar Power RF Transistor |
![]() Data Sheet |
![]()
|
|
||||||||||||
![]() |
![]() MRF5176 |
![]() Advanced Semiconductor, Inc. |
![]() Transistors RF Bipolar Power RF Transistor |
![]() Data Sheet |
![]()
|
|
||||||||||||
![]() |
![]() MRF521 |
![]() Other |
![]() |
![]() Data Sheet |
![]() Negotiable |
|
||||||||||||
![]() |
![]() MRF5211LT1 |
![]() Other |
![]() |
![]() Data Sheet |
![]() Negotiable |
|
||||||||||||
![]() |
![]() MRF525 |
![]() TriQuint Semiconductor |
![]() RF Amplifier RF Bipolar Trans |
![]() Data Sheet |
![]() Negotiable |
|
||||||||||||
(Hong Kong)










