Product Summary
The mrf630 is an NPN silicon RF power transistor. The ASI mrf630 is Designed for UHF large signal, FM Land Mobile Applications up to 512 MHz.
Parametrics
mrf630 absolute maximum ratings: (1)IC: 1.0 A; (2)VCEO: 16 V; (3)VCES: 36 V; (4)VEBO: 4.0 V; (5)PDISS: 8.75 W @ TC = 25 ℃; (6)TJ: -65 ℃ to +200 ℃; (7)TSTG: -65 ℃ to +200 ℃; (8)θJC: 20 ℃/W.
Features
mrf630 fearures: (1)Grounded Emitter; (2)PG = 9.5 dB at 3.0 W/470 MHz; (3)Omnigol TM Metalization System.
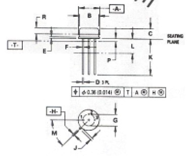
Diagrams

| Image | Part No | Mfg | Description | ![]() |
Pricing (USD) |
Quantity | ||||
|---|---|---|---|---|---|---|---|---|---|---|
![]() |
![]() MRF630 |
![]() Other |
![]() |
![]() Data Sheet |
![]() Negotiable |
|
||||
| Image | Part No | Mfg | Description | ![]() |
Pricing (USD) |
Quantity | ||||
![]() |
![]() MRF607 |
![]() Other |
![]() |
![]() Data Sheet |
![]() Negotiable |
|
||||
![]() |
![]() MRF616 |
![]() Other |
![]() |
![]() Data Sheet |
![]() Negotiable |
|
||||
![]() |
![]() MRF627 |
![]() Other |
![]() |
![]() Data Sheet |
![]() Negotiable |
|
||||
![]() |
![]() MRF630 |
![]() Other |
![]() |
![]() Data Sheet |
![]() Negotiable |
|
||||
![]() |
![]() MRF6414 |
![]() Other |
![]() |
![]() Data Sheet |
![]() Negotiable |
|
||||
![]() |
![]() MRF650 |
![]() TriQuint Semiconductor |
![]() RF Amplifier RF Bipolar Trans |
![]() Data Sheet |
![]() Negotiable |
|
||||
(Hong Kong)









